微信:grove_company
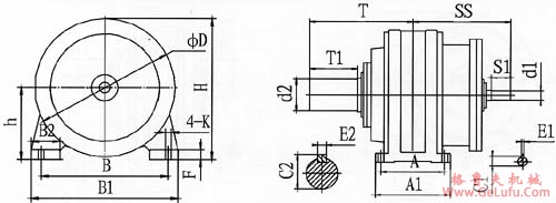
![]() | ||||||||||||||
|
规格 |
额定输
出转矩
(kN.m) |
中心尺寸 |
轮廓尺寸 |
地脚尺寸 | ||||||||||
|
h |
D |
S S |
T |
H |
A |
A1 |
B |
B1 |
B2 |
4-k |
F | |||
|
215 |
4 |
200 |
340 |
270 |
280 |
440 |
180 |
220 |
380 |
440 |
130 |
4-¢22 |
25 | |
|
255 |
7 |
210 |
410 |
315 |
305 |
500 |
184 |
220 |
460 |
520 |
160 |
4-¢22 |
30 | |
|
300 |
11 |
260 |
500 |
385 |
380 |
590 |
240 |
300 |
560 |
640 |
200 |
4-¢26 |
40 | |
|
350 |
16 |
300 |
580 |
410 |
430 |
690 |
264 |
314 |
560 |
740 |
240 |
4-¢26 |
40 | |
|
400 |
25 |
350 |
650 |
435 |
480 |
740 |
315 |
370 |
720 |
800 |
260 |
4-¢26 |
45 | |
|
450 |
36 |
370 |
660 |
475 |
500 |
780 |
330 |
390 |
740 |
820 |
280 |
4-¢32 |
45 | |
|
500 |
48 |
400 |
730 |
540 |
530 |
820 |
360 |
430 |
820 |
920 |
300 |
4-¢38 |
50 | |
|
550 |
68 |
450 |
840 |
580 |
620 |
950 |
400 |
480 |
940 |
1040 |
300 |
4-¢38 |
60 | |
|
600 |
95 |
550 |
980 |
640 |
660 |
1120 |
440 |
540 |
1100 |
1200 |
360 |
4-¢44 |
70 | |
|
670 |
123 |
600 |
1060 |
734 |
726 |
1200 |
470 |
550 |
1240 |
1340 |
400 |
4-¢44 |
80 | |
|
750 |
173 |
700 |
1240 |
785 |
800 |
1450 |
530 |
610 |
1400 |
1500 |
440 |
4-¢50 |
80 | |
|
840 |
213 |
750 |
1400 |
850 |
835 |
1550 |
560 |
640 |
1580 |
1700 |
440 |
4-¢50 |
85 | |
|
950 |
311 |
900 |
1640 |
920 |
1020 |
1820 |
600 |
750 |
1780 |
1900 |
600 |
4-¢59 |
95 | |
|
1070 |
469 |
950 |
1800 |
1004 |
1060 |
1950 |
650 |
770 |
2040 |
2160 |
720 |
4-¢58 |
100 | |
|
规格 |
质量
(kg) |
高速轴伸(i≤95.9) |
高速轴伸(i≥107) |
低速轴伸 | |||||||||
|
d1 |
S1 |
C1 |
E1 |
d1 |
S1 |
C1 |
E1 |
D2 |
T1 |
C2 |
E2 | ||
|
215 |
180 |
35k6 |
58 |
38 |
10 |
28k6 |
42 |
25 |
6 |
75m6 |
105 |
79.5 |
20 |
|
255 |
228 |
35k6 |
58 |
35 |
10 |
28k6 |
42 |
25 |
6 |
90m6 |
130 |
95 |
25 |
|
300 |
400 |
42k6 |
82 |
45 |
12 |
35k6 |
58 |
38 |
10 |
110m6 |
165 |
116 |
28 |
|
350 |
603 |
48m6 |
82 |
51.5 |
14 |
42m6 |
82 |
45 |
12 |
130m6 |
200 |
137 |
32 |
|
400 |
824 |
55m6 |
82 |
59 |
16 |
48m6 |
82 |
51.5 |
14 |
150m6 |
200 |
158 |
36 |
|
450 |
1210 |
65m6 |
105 |
69 |
18 |
55m6 |
105 |
59 |
16 |
170m6 |
240 |
179 |
40 |
|
500 |
1508 |
70m6 |
105 |
74.9 |
20 |
65m6 |
105 |
64 |
18 |
180m6 |
240 |
190 |
45 |
|
550 |
1965 |
75m6 |
105 |
79.5 |
20 |
65m6 |
105 |
69 |
18 |
200m6 |
280 |
210 |
50 |
|
600 |
2750 |
80m6 |
130 |
85 |
22 |
70m6 |
105 |
74.5 |
20 |
220m6 |
280 |
231 |
50 |
|
670 |
3713 |
90m6 |
130 |
95 |
25 |
80m6 |
130 |
85 |
22 |
250m6 |
330 |
262 |
56 |
|
750 |
4950 |
100m6 |
165 |
106 |
28 |
90m6 |
130 |
95 |
25 |
280m8 |
380 |
292 |
63 |
|
840 |
7350 |
110m6 |
165 |
116 |
28 |
100m6 |
165 |
106 |
28 |
300m6 |
380 |
314 |
70 |
|
950 |
9750 |
130m6 |
200 |
137 |
32 |
110m6 |
165 |
116 |
28 |
350m6 |
450 |
365 |
80 |
|
1070 |
15100 |
150m6 |
240 |
157 |
36 |
130m6 |
200 |
137 |
32 |
380m6 |
450 |
395 |
80 |