fax:0312-6784733
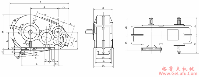
ZQ型大速比减速器的外形尺寸 QQ:47447450
fax:0312-6784733
www.gelufu.com.cn
|
型
号 |
尺寸 | |||||||||||||||||||||||||||||
|
中心距 |
中心高 |
外形尺寸 |
轴端尺寸 | |||||||||||||||||||||||||||
|
A |
A1 |
A2 |
A3 |
h1 |
h2 |
L |
B |
H |
B1 |
B2 |
B3 | |||||||||||||||||||
|
ZQD350 |
≈365 |
100 |
150 |
200 |
210 |
200 |
≈758 |
320 |
400 |
250 |
275/285 |
― | ||||||||||||||||||
|
ZQD400 |
400 |
100 |
150 |
250 |
250 |
250 |
≈852 |
340 |
490 |
265 |
300 |
234 | ||||||||||||||||||
|
ZQD500 |
≈522 |
150 |
200 |
300 |
295 |
300 |
≈1060 |
390 |
590 |
320 |
350 |
270 | ||||||||||||||||||
|
ZQD650 |
650 |
150 |
250 |
400 |
320 |
320 |
≈1355 |
506 |
707 |
380 |
430 |
342 | ||||||||||||||||||
|
ZQD850 |
850 |
250 |
350 |
500 |
400 |
400 |
≈1690 |
625 |
875 |
480 |
525 |
403 | ||||||||||||||||||
|
ZQD1000 |
≈1030 |
250 |
400 |
600 |
395 |
400 |
≈2000 |
703 |
975 |
530 |
605 |
507 | ||||||||||||||||||
|
型
号 |
尺寸 | |||||||||||||||||||||||||||||
|
L1 |
L2 |
L3 |
K1 |
K2 |
B4 |
B5 |
H1 |
H2 |
δ |
安装尺寸 |
质
量
(kg) | |||||||||||||||||||
|
C1 |
C2 |
C3 |
孔距 |
孔径
d |
孔数
n | |||||||||||||||||||||||||
|
S1 |
S2 | |||||||||||||||||||||||||||||
|
ZQD350 |
470 |
158 |
≈137 |
― |
― |
290 |
150 |
― |
23* |
25 |
≈95 |
≈55 |
80 |
350 |
250 |
17 |
4 |
195 | ||||||||||||
|
ZQD400 |
490 |
160 |
≈155 |
135 |
― |
310 |
170 |
― |
23* |
25 |
110 |
80 |
80 |
370 |
270 |
17 |
4 |
262 | ||||||||||||
|
ZQD500 |
620 |
206 |
≈196 |
165 |
― |
350 |
210 |
― |
28* |
25 |
≈152 |
≈102 |
110 |
240 |
310 |
17 |
6 |
490 | ||||||||||||
|
ZQD650 |
830 |
238 |
≈240 |
240 |
800 |
470 |
317 |
95 |
65 |
35 |
160 |
85 |
155 |
215 |
410 |
25 |
8 |
770 | ||||||||||||
|
ZQD850 |
1100 |
327 |
≈290 |
295 |
≈1360 |
580 |
418 |
120 |
90 |
35 |
155 |
75 |
205 |
300 |
520 |
32 |
8 |
1485 | ||||||||||||
|
ZQD1000 |
1350 |
334 |
≈312 |
420 |
≈1662 |
660 |
480 |
200 |
170 |
40 |
≈231 |
≈131 |
250 |
350 |
590 |
32 |
8 |
2189 | ||||||||||||