您好,欢迎进入格鲁夫机械设备制造有限公司官网!
减速机|丝杆升降机|减速电机|行业专用减速机|减速机配件|减速机厂|丝杆升降机厂|转向器厂

联系我们

邮箱:china@gelufu.com
电话:0312-6784766
在线咨询

蜗轮减速机

VFR86..P系列蜗轮蜗杆减速机外形及安装尺寸

发布日期:2023-12-28 18:28 浏览次数:

VFR86..P系列蜗轮蜗杆减速机外形及安装尺寸(图1)蜗轮蜗杆减速机外形及安装尺寸"> 微信:grove_company

www.gelufu.com.cn

VFR86..P系列蜗轮蜗杆减速机外形及安装尺寸

mail:china@gelufu.com

VFR86..P系列蜗轮蜗杆减速机外观总览

VFR86..P系列蜗轮蜗杆减速机外形及安装尺寸(图2) QQ:47447450

VFR86..P系列蜗轮蜗杆减速机外形及安装尺寸(图3)

格鲁夫丝杆升降机

VFR86..P系列是VF系列蜗轮蜗杆减速机中一个结构紧凑、性能可靠的重要分支。从外观总览图可以看出,该系列减速机采用经典的方形箱体设计,表面经过精密加工与防腐蚀处理,确保了在严苛工业环境下的耐用性。其输入端和输出端布局清晰,便于与电机及工作机进行连接。这种蜗轮蜗杆传动结构以其大传动比、自锁性和运行平稳的特点,广泛应用于包装机械、食品加工、物料输送等需要大扭矩、中低转速的场合。 QQ:47447450

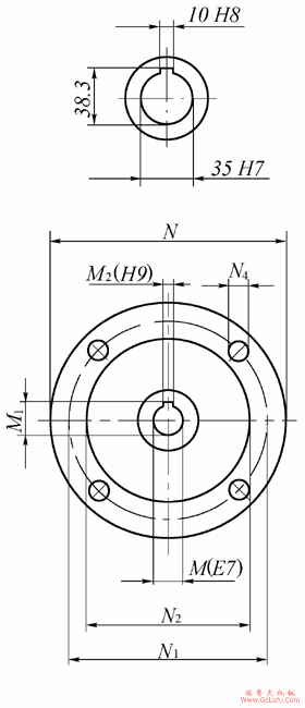
VFR86..P系列关键安装尺寸参数表

A-N-V-F
FC-FR-P
VFR86
M
M1
M2
N
N1
N2
N3
N4
kg
VFR86_P71B5
VFR86_P80B5
VFR86_P90B5
14K6
16.3
5
160
130
110
12
M8×20
23
19K6
21.8
6
200
165
130
12
M10×25
24J6
25.1#
8
200
165
130
12
M10×25
#薄键

格鲁夫丝杆升降机

上表详细列出了VFR86..P系列三种典型型号(P71B5, P80B5, P90B5)的核心安装尺寸与参数。其中,参数“M”代表输入轴伸直径及公差,如14K6、19K6,这直接关系到与驱动电机联轴器或皮带轮的配合精度,选用时需确保匹配。“N”系列尺寸(N, N1, N2, N3)定义了减速机底座的关键安装孔距和箱体轮廓尺寸,是设备布局和底板设计的基础数据。例如,N=160/200mm决定了设备在安装面上的纵向占用空间。 格鲁夫机械

“N4”栏标注的“M8×20”和“M10×25”指明了安装螺栓的规格和推荐长度,这对于确保减速机牢固固定、防止运行中振动至关重要。整机重量“23kg”为物流搬运和支架承重设计提供了依据。值得注意的是,标注“#薄键”的轴伸形式,提示用户在连接时需要选用特定规格的薄型平键,这与标准键槽有所区别,是安装过程中必须关注的细节,错误的键槽配合会影响动力传递甚至损坏轴伸。

在安装这款VF系列蜗轮蜗杆减速机时,工程师需严格参照此表数据。首先,根据负载和速比要求选定型号,然后依据“N”系列尺寸设计或准备安装底板,确保底板平整且有足够的刚性。接着,按照“N4”要求选用强度合适的螺栓,并采用正确的扭矩进行紧固。最后,将电机与减速机输入轴(尺寸“M”)通过合适的联轴器对中连接,并安装好输出端的传动部件。精确的尺寸把控是保证这款蜗轮蜗杆减速机高效、平稳、长寿命运行的前提。

Copyright © 2023-2025 格鲁夫 版权所有 备案号:冀ICP备19023093号-2

电子营业执照图标 电子营业执照
选择语言
Hello,欢迎来咨询~