您好,欢迎进入格鲁夫机械设备制造有限公司官网!
减速机|丝杆升降机|减速电机|行业专用减速机|减速机配件|减速机厂|丝杆升降机厂|转向器厂

联系我们

邮箱:china@gelufu.com
电话:0312-6784766
在线咨询

蜗轮减速机

VFR72..P系列蜗轮蜗杆减速机外形及安装尺寸

发布日期:2023-12-28 18:28 浏览次数:

VFR72..P系列蜗轮蜗杆减速机外形及安装尺寸(图1)蜗轮蜗杆减速机外形及安装尺寸"> 电话:0312-6784766

手机:13331225020

VFR72..P系列蜗轮蜗杆减速机产品概览

VFR72..P系列蜗轮蜗杆减速机外形及安装尺寸。作为VF系列蜗轮蜗杆减速机中的重要一员,该系列产品以其紧凑的箱体结构、高效的传动性能和优异的承载能力,广泛应用于包装机械、食品加工、物流输送等需要大速比、高扭矩的工业场景中。其核心设计采用了蜗轮蜗杆传动副,具备反向自锁特性,在垂直提升或防止负载逆转的场合中表现出色。 fax:0312-6784733

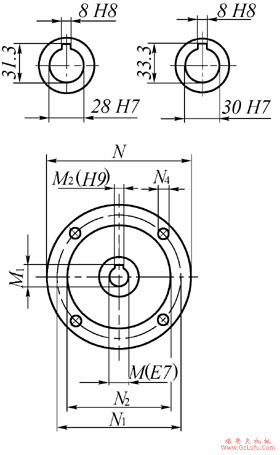
VFR72..P系列减速机外形尺寸图

准确理解产品的外形轮廓是进行设备选型和空间规划的步。以下示意图清晰地展示了VFR72..P系列蜗轮蜗杆减速机的三维立体形态与关键轮廓尺寸。工程师可以根据这些图纸,在设备整体布局中预留出合理的安装与维护空间,确保减速机能与电机及工作机实现顺畅对接。 WX:grove_company

VFR72..P系列蜗轮蜗杆减速机外形及安装尺寸(图2)

QQ:47447450

VFR72..P系列蜗轮蜗杆减速机外形及安装尺寸(图3)

www.gelufu.com.cn

VFR72..P系列减速机详细安装尺寸表

A-N-V
F-F C
F C R-P
VFR72
M
M1
M2
N
N1
N2
N3
N4
kg
VFR72_P71B5
VFR72_P80B5
VFR72_P90B5
14K6
16.3
5
160
130
110
12
M8×20
12
19K6
21.8
6
200
165
130
12
M10×25
24J6
25.1#
8
200
165
130
12
M10×25
WX:grove_company

上表提供了VFR72..P系列下三种典型型号(P71B5, P80B5, P90B5)的精确安装接口数据。其中,M通常代表输入轴或关键配合轴的尺寸与公差,例如“14K6”表示轴径为14mm,采用K6公差配合,这确保了与联轴器或电机轴连接的精度与可靠性。N、N1、N2等尺寸定义了安装法兰的孔距与分布圆直径,是减速机与基座紧固的核心参数。N4栏的“M8×20”和“M10×25”则指明了安装螺栓的规格与推荐长度,用户在安装时必须使用强度等级符合要求的螺栓,并施加正确的扭矩,以保证连接的刚性并防止运行中松动。整机重量(kg)对于吊装和支撑结构的设计至关重要。 gelufu.com

在实际安装VF系列蜗轮蜗杆减速机时,除了严格参照本尺寸表,还需注意以下几点:首先,确保安装基面平整、清洁且有足够的刚性,以防止运行时产生振动或变形;其次,输入轴与驱动电机轴的对中误差需控制在允许范围内,过大的偏差会严重影响轴承寿命和传动效率;最后,对于带有风扇的型号,应确保其周围有足够的通风空间。正确的安装是保障这款蜗轮蜗杆减速机长期稳定运行、发挥其性能的基础。

Copyright © 2023-2025 格鲁夫 版权所有 备案号:冀ICP备19023093号-2

电子营业执照图标 电子营业执照
选择语言
Hello,欢迎来咨询~