Tel:0312-6784766
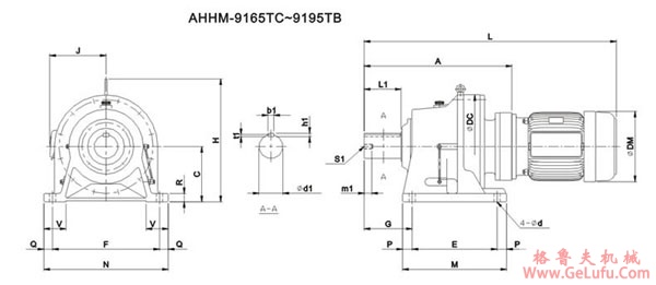
ADC系列摆线减速机尺寸图表AHHM-9165TC~9195TB gelufu.com
WX:grove_company
|
AHHM-9165TC~9195TB尺寸图表 | ||||||||||||||||||||
|
AHHM |
A |
C |
DC |
E |
F |
G |
M |
N |
P |
Q |
R |
V |
d |
输出轴尺寸 | ||||||
|
d1 |
L1 |
b1 |
h1 |
t1 |
S1 |
m1 | ||||||||||||||
|
9165TC |
389 |
160 |
300 |
150 |
370 |
139 |
242 |
414 |
46 |
22 |
25 |
75 |
18 |
60 |
90 |
18 |
11 |
7 |
M10 |
18 |
|
9175TC |
436 |
200 |
340 |
275 |
380 |
125 |
337 |
432 |
31 |
26 |
30 |
80 |
22 |
70 |
90 |
20 |
12 |
7.5 |
M12 |
24 |
|
9185TB |
496 |
220 |
370 |
320 |
420 |
145 |
382 |
472 |
31 |
26 |
30 |
85 |
22 |
80 |
110 |
22 |
14 |
9 |
M12 |
24 |
|
9195TA |
556 |
250 |
430 |
380 |
480 |
170 |
442 |
532 |
31 |
26 |
36 |
90 |
26 |
95 |
135 |
25 |
14 |
9 |
M20 |
34 |
|
9195TB |
572 |
250 |
430 |
380 |
480 |
170 |
442 |
532 |
31 |
26 |
36 |
90 |
26 |
95 |
135 |
25 |
14 |
9 |
M20 |
34 |
|
型号 |
电机 |
L |
J |
DM |
H |
W(KG) | ||
|
KW |
HP |
极数 | ||||||
|
AHHM05-9165TC-Ratio |
0.4 |
1/2 |
4 |
630 |
133 |
162 |
349 |
100 |
|
AHHM1-9165TC-Ratio |
0.75 |
1 |
4 |
638 |
138 |
177 |
349 |
105 |
|
AHHM2-9165TC-Ratio |
1.5 |
2 |
4 |
675 |
150 |
200 |
349 |
116 |
|
AHHM3-9165TC-Ratio |
2.2 |
3 |
4 |
700 |
174 |
219 |
349 |
130 |
|
AHHM5-9165TC-Ratio |
3.7 |
5 |
4 |
718 |
188 |
238 |
349 |
140 |
|
AHHM05-9175TC-Ratio |
0.4 |
1/2 |
4 |
675 |
133 |
162 |
416 |
135 |
|
AHHM1-9175TC-Ratio |
0.75 |
1 |
4 |
685 |
138 |
177 |
416 |
142 |
|
AHHM2-9175TC-Ratio |
1.5 |
2 |
4 |
722 |
150 |
200 |
416 |
154 |
|
AHHM3-9175TC-Ratio |
2.2 |
3 |
4 |
748 |
174 |
219 |
416 |
165 |
|
AHHM5-9175TC-Ratio |
3.7 |
5 |
4 |
765 |
188 |
238 |
416 |
175 |
|
AHHM1-9185TB-Ratio |
0.75 |
1 |
4 |
740 |
138 |
177 |
451 |
196 |
|
AHHM2-9185TB-Ratio |
1.5 |
2 |
4 |
780 |
150 |
200 |
451 |
208 |
|
AHHM3-9185TB-Ratio |
2.2 |
3 |
4 |
808 |
174 |
219 |
451 |
220 |
|
AHHM5-9185TB-Ratio |
3.7 |
5 |
4 |
828 |
188 |
238 |
451 |
225 |
|
AHHM8-9185TB-Ratio |
5.5 |
7.5 |
4 |
870 |
219 |
273 |
451 |
232 |
|
AHHM10-9185TB-Ratio |
7.5 |
10 |
4 |
910 |
224 |
273 |
451 |
238 |
|
AHHM05-9195TA-Ratio |
0.4 |
1/2 |
4 |
795 |
133 |
162 |
531 |
245 |
|
AHHM1-9195TA-Ratio |
0.75 |
1 |
4 |
805 |
138 |
177 |
531 |
258 |
|
AHHM2-9195TA-Ratio |
1.5 |
2 |
4 |
842 |
150 |
200 |
531 |
266 |
|
AHHM3-9195TA-Ratio |
2.2 |
3 |
4 |
868 |
174 |
219 |
531 |
278 |
|
AHHM5-9195TA-Ratio |
3.7 |
5 |
4 |
885 |
188 |
238 |
531 |
288 |
|
AHHM1-9195TB-Ratio |
0.75 |
1 |
4 |
818 |
138 |
177 |
531 |
265 |
|
AHHM2-9195TB-Ratio |
1.5 |
2 |
4 |
858 |
150 |
200 |
531 |
277 |
|
AHHM3-9195TB-Ratio |
2.2 |
3 |
4 |
885 |
174 |
219 |
531 |
288 |
|
AHHM5-9195TB-Ratio |
3.7 |
5 |
4 |
903 |
188 |
238 |
531 |
296 |
|
AHHM8-9195TB-Ratio |
5.5 |
7.5 |
4 |
948 |
219 |
273 |
531 |
302 |
|
AHHM10-9195TB-Ratio |
7.5 |
10 |
4 |
986 |
224 |
273 |
531 |
314 |