蜗轮蜗杆减速机外形及安装尺寸">
格鲁夫减速机
gelufu.com
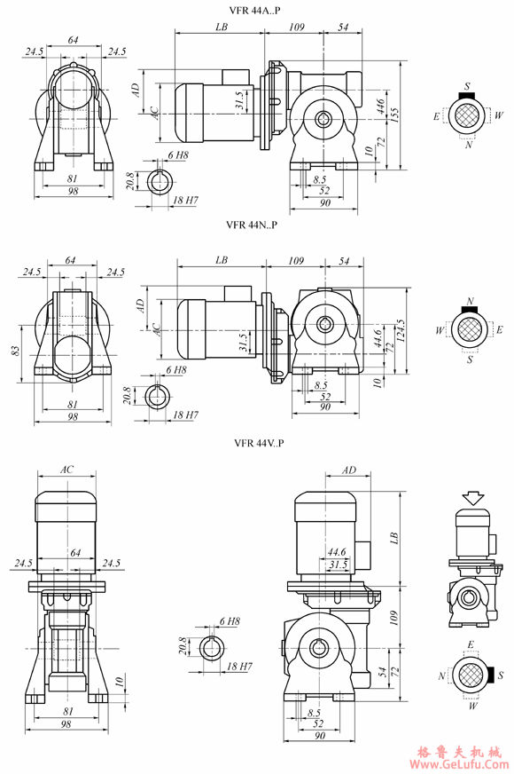
VFR44..P系列蜗轮蜗杆减速机外形及安装尺寸
WX:grove_company
作为VF系列蜗轮蜗杆减速机中的重要一员,VFR44..P系列以其紧凑的箱体结构、高效的传动能力以及灵活的安装方式,在轻工自动化、食品包装、医疗设备等对空间布局有严格要求的领域得到广泛应用。该系列减速机采用优质的铸铁箱体,确保了良好的刚性、散热性与抗振性,其核心的蜗轮蜗杆副经过精密加工与优化设计,能够实现平稳、低噪音的单级大速比传动。
电话:0312-6784766
电话:0312-6784766
上图清晰地展示了VFR44..P系列蜗轮蜗杆减速机的外形轮廓与关键接口尺寸。从图中可以看出,其输入端通常为标准IEC法兰或实心轴,方便与各类电机直联;输出端为实心轴或空心轴带键槽,并配有定位止口,确保了与工作机连接的同心度与可靠性。箱体底座设计有标准的安装孔位,支持卧式、立式等多种安装姿态,为用户在设备中的集成提供了极大的便利。在选型时,除了关注减速比和扭矩参数,准确理解这些外形及安装尺寸对于设备的前期设计与后期维护都至关重要。 www.gelufu.com.cn
|
型号 |
pn
kw |
n
min-1 |
Mn
Nm |
n
% |
cosφ |
ln
A
(400V) |
ls
ln |
Ms
Mn |
Ma
Mn |
Jm
(.10-4)
kgm2 |
kg |
LB |
AC |
AD |
|
BN44B4
BN44C4 |
0.06
0.09 |
1380
1380 |
0.42
0.63 |
40
46 |
0.58
0.65 |
0.38
0.43 |
2.4
2.8 |
2.3
2.3 |
1.9
2 |
1.22
1.49 |
4.7
4.6 |
168
168 |
112
112 |
94
94 |
邮箱:china@gelufu.com
技术参数表详细列出了BN44B4与BN44C4两种典型型号的关键数据。例如,额定功率(pn)、额定转速(n)、额定扭矩(Mn)和效率(η)是评估其传动性能的核心。从表中可见,该系列蜗轮蜗杆减速机效率在40%-46%左右,这是蜗杆传动自锁特性与摩擦损耗的典型体现,适用于需要自锁或中低功率的场合。启动电流倍数(Is/In)和启动扭矩倍数(Ms/Mn)则关系到电机的选型匹配,而转动惯量(Jm)和重量(kg)对系统的动态响应有直接影响。参数LB、AC、AD等则对应了安装尺寸图中的关键轴向与径向尺寸,是进行机械设计时不可或缺的参考。 格鲁夫齿轮箱

综上所述,VFR44..P系列蜗轮蜗杆减速机凭借其明确的尺寸参数和稳定的技术性能,为用户提供了可靠的动力传输解决方案。在实际应用中,建议结合具体的负载工况、安装空间限制以及所需的减速比,参考本文提供的详细外形安装图与技术参数表进行综合选型,以确保整个传动系统的高效、稳定运行。