您好,欢迎进入格鲁夫机械设备制造有限公司官网!
减速机|丝杆升降机|减速电机|行业专用减速机|减速机配件|减速机厂|丝杆升降机厂|转向器厂

联系我们

邮箱:china@gelufu.com
电话:0312-6784766
在线咨询

蜗轮减速机

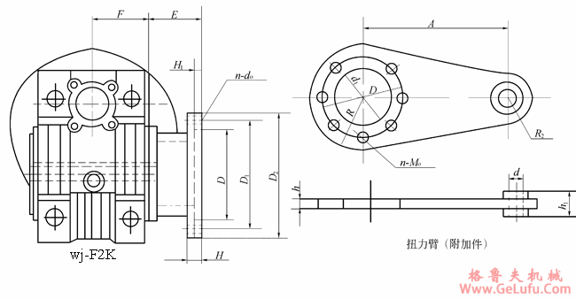
输出法兰、扭力臂外型及安装尺寸

发布日期:2023-12-28 18:29 浏览次数:

输出法兰、扭力臂外型及安装尺寸(图1) 手机:13331225020

输出法兰、扭力臂外型及安装尺寸 fax:0312-6784733

输出法兰与扭力臂外观总览

输出法兰、扭力臂外型及安装尺寸(图2)

格鲁夫配件

输出法兰、扭力臂外型及安装尺寸 Tel:0312-6784766

WJ系列空心轴型蜗杆减速机的安装与应用中,输出法兰和扭力臂是两个至关重要的机械接口部件,它们直接关系到整个传动系统的连接稳定性与动力传递效率。输出法兰作为减速机动力输出的刚性连接盘,其尺寸精度和结构强度确保了与从动设备(如链轮、皮带轮或工作机主轴)的可靠对接。而扭力臂则承担着抵消减速机壳体反作用扭矩的关键任务,通过将反力矩传递到固定机座,防止壳体转动,从而保证蜗轮蜗杆减速机在运行中的平稳与安全。 格鲁夫

上图清晰地展示了这两种部件的整体外观与相对位置关系。在实际选型时,工程师必须严格参照对应的安装尺寸表,确保法兰的连接孔径、节圆直径、止口尺寸与负载端匹配,同时确认扭力臂的安装孔距、臂长及厚度能满足现场安装空间与受力要求。例如,在搅拌设备或输送线驱动站中,精确的尺寸配合能有效避免安装应力与不对中引起的额外磨损,显著延长减速机使用寿命。

传真:0312-6784733

机型号
输出法兰尺寸
扭力臂尺寸
F
E
H
H1
DH8
D1
D2
n-d0
d1H8
D
A
R
R2
h
h1
d
n-M0
wj30
29
26
6
4
50
68

Copyright © 2023-2025 格鲁夫 版权所有 备案号:冀ICP备19023093号-2

电子营业执照图标 电子营业执照