减速机(WWJ063型尺寸图)"> gelufu.com
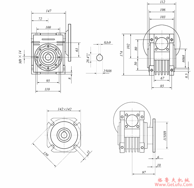
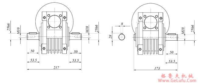
WWJ063型尺寸图清晰展示了这款蜗杆减速机的核心构造与精确的外形尺寸。作为WWJ系列蜗杆减速器中的经典型号,WWJ063以其紧凑的箱体设计、高效的传动布局和可靠的性能,在自动化设备、包装机械、输送系统等诸多工业领域发挥着关键作用。通过尺寸图,工程师可以准确获取其安装接口、轴伸尺寸、中心距以及整体轮廓数据,为设备集成与空间规划提供至关重要的依据。
fax:0312-6784733


从提供的尺寸图可以看出,WWJ063型蜗轮蜗杆减速机采用了立式或卧式安装的通用设计,箱体通常由高强度铸铁铸造而成,确保了良好的刚性、减震性和散热性。其核心传动部件——蜗轮与蜗杆,经过精密加工与优化啮合设计,实现了单级大传动比,结构紧凑。蜗杆通常采用优质合金钢淬硬磨削,蜗轮则采用耐磨青铜材质,这种组合保证了传动平稳、噪音低,并具备自锁功能,在需要防止逆转的场合尤为适用。
QQ:20275456
输入与输出轴端的设计考虑了广泛的联接需求。输入轴可采用实心轴或空心轴,适配不同形式的电机直联或皮带轮传动。输出轴则经过强化设计,以承受更大的径向和轴向载荷。尺寸图上标注的键槽尺寸、螺孔位置及密封结构细节,都是确保减速机与驱动部件、工作机可靠连接和长期密封防漏的关键。
格鲁夫
WWJ063型号中的“063”通常指代中心距或规格代码,对应着特定的功率范围、传动比和输出扭矩。用户在选型时,除了依据尺寸图进行机械匹配外,还需参考详细的性能参数表,确认额定扭矩、许用轴向力、传动效率以及使用环境温度等是否符合工况要求。例如,在食品包装线的旋转分度装置中,WWJ系列蜗杆减速器因其运行平稳、定位准确而被广泛采用;在环保设备的搅拌驱动上,其强大的过载能力和耐用性则表现出色。 传真:0312-6784733
安装与维护的便利性也是WWJ系列的重要考量。箱体上的吊装孔、油位视窗和放油塞位置在尺寸图中均有明确标识。合理的润滑设计能有效减少蜗轮蜗杆副的磨损,延长整机使用寿命。建议使用指定的极压齿轮油或润滑脂,并定期检查油位与油品状态。 格鲁夫齿轮箱
综上所述,WWJ063型蜗杆减速机尺寸图不仅仅是一张工程图纸,它是连接产品设计、制造与终端应用的桥梁。通过精确解读尺寸图,用户可以高效完成这款蜗轮蜗杆减速机的选型、安装布局和系统集成,从而充分发挥其大速比、小体积、高可靠性的优势。作为WWJ系列中的重要一员,WWJ063型持续为各种需要减速、增扭、改变传动方向的复杂机械系统提供着坚实而高效的动力解决方案,是工业自动化传动链中不可或缺的核心部件之一。
格鲁夫配件