蜗轮减速机安装尺寸"> 格鲁夫齿轮箱

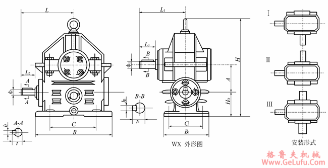
WX型蜗轮减速机作为一种经典的蜗轮蜗杆减速机,其安装尺寸的准确性直接关系到设备在传动系统中的匹配度与运行稳定性。本表详细列出了从WX43到WX210共九种型号的关键安装参数,为工程设计、设备选型及现场安装提供精准的数据参考。这些尺寸包括中心高、底座安装孔位、轴伸尺寸等,是确保减速机与电机、工作机实现可靠联接的基础。
格鲁夫丝杆升降机
在实际应用中,例如在输送机或搅拌设备中选用WX系列蜗轮蜗杆减速机时,工程师需严格核对表中的H(中心高)、安装孔孔径与孔距(L、L1等),以确保底座安装平面的平整与螺栓紧固的有效性。同时,输出轴端的ф、t等尺寸关乎联轴器或传动件的选配,尺寸偏差可能导致振动、磨损甚至失效。因此,建议在安装前对照此表进行复核,并遵循产品手册的安装指引,以保障整个传动系统的高效、平稳与长寿命运行。 微信:grove_company
|
型号 |
H0 |
A |
B |
B1 |
C |
C1 |
安装孔 |
L |
L1 |
L2 |
L3 |
ф |
t |
h |
ф1 |
t1 |
h1 |
H |
|
WX43 |
45 |
43 |
96 |
106 |
70 |
80 |
10 |
105 |
查看更多 >>
选择语言
|