减速机(WWJ075型尺寸图)"> mail:china@gelufu.com


在详细的安装尺寸图中,每一个标注都至关重要。它通常包含以下几类核心尺寸:
www.gelufu.com.cn
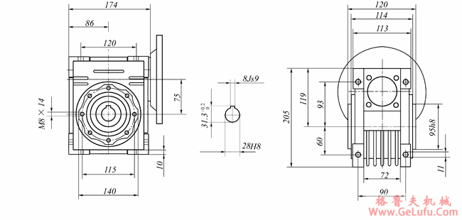
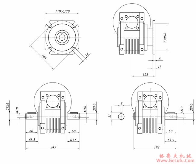
1. 接口法兰与轴伸尺寸: 这包括了输入轴与电机联接的法兰孔径、孔距(P.C.D.)以及轴伸的直径、长度和键槽尺寸。对于WWJ系列蜗杆减速器,其输入轴形式多样,可能适配标准IEC电机或NEMA电机,因此精确的轴伸和法兰尺寸是保证联接同心度和传递扭矩可靠性的基础。
微信:grove_company
2. 箱体安装孔尺寸: 减速机箱体底脚或法兰上的安装孔位置、孔径及数量,直接决定了其在设备机架或地基上的固定方式。WWJ075型蜗轮蜗杆减速机通常提供底脚安装和法兰安装两种主要形式,尺寸图上会明确标注这两种安装方式对应的所有定位尺寸,如孔距、边距等,确保安装稳固,减少运行时因振动导致的位移。 WX:grove_company
3. 中心距与外形尺寸: 蜗杆与蜗轮的中心距是决定减速机传动比和承载能力的关键参数之一,在尺寸图上会明确标出。同时,总长、总宽、总高等最大外形尺寸,对于设备整体的空间布局和防护罩设计具有直接的指导意义。 Mobile:13331225020
4. 输出端详细尺寸: 输出轴(蜗轮轴)的直径、长度、键槽(或花键)规格,以及输出法兰(如果适用)的尺寸。这些尺寸关系到与从动设备(如链轮、皮带轮、联轴器)的联接,必须严格匹配。 格鲁夫丝杆升降机
正确使用WWJ075型尺寸图,需要结合具体的工况要求。例如,在食品包装机械的传动系统中选用WWJ075型蜗轮蜗杆减速机时,工程师不仅需要核对尺寸以确保其能安装在紧凑的机箱内,还需根据尺寸图确认润滑孔、透气塞和油标的位置是否便于日常维护。在轻工自动化流水线中,多台减速机协同工作,精确的安装尺寸是保证各工位同步精度的前提。 WX:grove_company
总之,WWJ系列蜗杆减速器的尺寸图不仅是简单的工程图纸,更是连接产品设计、制造与应用之间的桥梁。充分理解并应用WWJ075型尺寸图中的每一个细节,能够有效避免安装错误、提高系统匹配度、延长设备使用寿命,从而在各类工业传动应用中发挥出蜗轮蜗杆减速机结构紧凑、传动平稳、自锁可靠的最大效能。 格鲁夫丝杆升降机