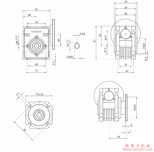
减速机(WWJ030型尺寸图)"> mail:china@gelufu.com
WWJ系列蜗杆减速器以其紧凑的箱体结构、高效的传动性能和可靠的稳定性,在工业自动化、包装机械、输送设备等领域有着广泛应用。WWJ030型作为该系列中的常用型号,其外观设计充分体现了工程实用性。机体通常采用高强度铸铁铸造,表面经过防锈和喷涂处理,不仅确保了足够的刚性以承受工作负载,也提升了在复杂工业环境中的耐腐蚀能力。输入轴与输出轴的位置布局经过优化,便于在狭小空间内进行安装与对接。 格鲁夫齿轮箱

上图清晰地展示了WWJ030型蜗轮蜗杆减速机的核心尺寸与安装接口。图中详细标注了总长、总高、中心距、输入输出轴的轴径与键槽尺寸、安装底座的螺栓孔中心距及孔径等关键数据。这些尺寸是设备选型、机械设计集成和现场安装的基础。例如,精确的中心距决定了该减速机在传动系统中的空间占位,而标准的轴伸与键槽尺寸则确保了与电机或工作机联轴器、链轮、皮带轮等连接件的无缝匹配。工程师在查阅此图时,需重点关注这些接口尺寸的公差要求,以保证装配的同心度和传动平稳性。 微信:grove_company

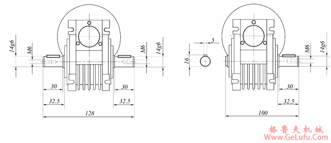
第二张尺寸详图通常进一步细化了减速机的局部结构,可能包括润滑油的注油口与油位观察窗(油标)的位置、透气塞的安装点、以及可能的出轴形式变体(如单轴伸或双轴伸)。对于WWJ系列蜗杆减速器而言,其蜗轮蜗杆副通常采用浸油润滑,因此正确的油位高度至关重要,它直接影响到齿轮的润滑效果、散热效率以及整机使用寿命。此外,尺寸图上还可能标识出吊装孔或起吊螺钉的位置,为运输和安装维护提供便利。 电话:0312-6784766
WWJ030型蜗杆减速机基于经典的蜗轮蜗杆传动原理,具有单级传动比大、输出扭矩高、传动自锁性(取决于蜗杆导程角)等显著特点。其内部蜗杆通常由淬硬磨削的优质合金钢制成,蜗轮则采用耐磨的锡青铜材料,这种配对确保了在高负载下仍能保持低噪音和长寿命。在选型时,除了依据上述尺寸图进行结构匹配外,还需综合考虑实际工况所需的额定输出扭矩、传动比、输入转速、使用系数(服务系数)以及安装方向(卧式或立式)。例如,在连续运转或重载启动的输送线中,应选择留有足够扭矩裕量的型号,并确保良好的通风散热条件。 格鲁夫齿轮箱
在实际应用中,一份完整的WWJ系列蜗杆减速机资料不仅包含尺寸图纸,还应提供性能参数表、安装维护指南以及常见故障排除方法。正确解读WWJ030型尺寸图,并将其与性能参数结合分析,是确保该型蜗轮蜗杆减速机能够完美融入系统、发挥效能的关键一步。通过精准的选型与安装,WWJ系列减速机能为各类机械设备提供稳定、高效的动力传输解决方案。 fax:0312-6784733