减速机(WWJ040型尺寸图)"> QQ:20275456
减速机(WWJ040型尺寸图)">
WWJ系列蜗杆减速器作为一种经典的传动解决方案,以其结构紧凑、传动比大、运行平稳及具备自锁功能等特点,在自动化设备、包装机械、输送系统、食品加工等多个工业领域得到广泛应用。其中,WWJ040型是WWJ系列中一个常用且关键的型号,其精确的尺寸与安装信息对于设备集成与稳定运行至关重要。 www.gelufu.com
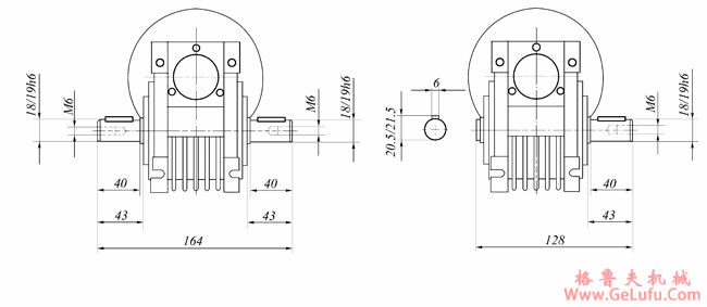
上图所示的WWJ040型蜗杆减速机尺寸图,详细标注了该型号减速器的核心外形尺寸、输入输出轴的位置与规格,以及箱体的关键轮廓数据。工程师可以根据此图进行前期的设备布局设计和空间规划。例如,图中清晰标示的输入轴(蜗杆轴)与输出轴(蜗轮轴)的中心高、轴径及键槽尺寸,直接关系到与电机或工作机的连接匹配。箱体的总长、总宽、总高则是评估设备安装空间是否充足的基本依据。
格鲁夫丝杆升降机
蜗轮蜗杆减速机的核心优势在于其独特的传动形式。蜗杆与蜗轮的啮合属于空间交错轴传动,通常可以实现单级较大的传动比(WWJ系列常见传动比从5:1到100:1不等),这在需要大幅降低转速、增大扭矩的场合非常高效。同时,在特定导程角下,蜗杆传动能实现反向自锁,即只能由蜗杆驱动蜗轮,蜗轮无法反向驱动蜗杆,这一特性在需要防止负载倒转的垂直提升、倾斜输送等安全关键应用中尤为重要。
格鲁夫机械
紧随其后的安装孔位详图,则提供了WWJ040型减速器与基础底座或设备机架进行机械固定的关键信息。该图精确展示了安装法兰面上各个螺栓通孔或螺纹孔的分布圆直径(P.C.D.)、孔径大小以及相对位置。正确的安装是保证WWJ系列蜗杆减速器长期平稳运行、减少振动和噪音、避免早期损坏的前提。 gelufu.com
在实际安装时,首先需确保安装基面平整、清洁并有足够的刚性,以防止减速机在受力后发生变形。其次,应按照图示孔位使用规定规格和强度等级的螺栓进行紧固,并建议采用对角逐步拧紧的方式,使减速机均匀受力贴合。对于输出轴连接,需确保联轴器对中良好,避免产生附加的径向力或轴向力,这些不当力会严重影响轴承和蜗轮蜗杆副的寿命。
Tel:0312-6784766
在选择WWJ040或WWJ系列其他型号的蜗轮蜗杆减速机时,除了关注尺寸图以匹配安装空间,还需综合考虑以下参数:首先是传动比,它决定了输出转速与输入转速的比值;其次是额定输出扭矩,必须大于设备实际工作所需的最大扭矩,并考虑一定的安全系数;再者是使用工况,如环境温度、是否连续运行、有无冲击负载等,这些都会影响减速机的热功率和机械强度校核。 WX:grove_company
例如,在一条轻型装配流水线的转角输送单元中,工程师选择了WWJ040型减速机。他们首先根据驱动负载的扭矩和所需转速确定了传动比和机座号,然后利用本文提供的尺寸图确认了在紧凑的转角空间内可以顺利安装,最后依据安装孔位详图完成了在钢板平台上的精准固定。该减速机成功实现了将电机的高转速转换为输送带所需的低转速、大扭矩驱动,并且利用其自锁特性,可靠地防止了输送带在停机时的滑动。 格鲁夫丝杆升降机
总之,WWJ系列蜗杆减速器的尺寸图与安装孔位图是设备设计与安装环节不可或缺的技术文件。充分理解并正确应用WWJ040型的这些图纸信息,能够有效保障传动系统的整合精度与运行可靠性,从而发挥出蜗轮蜗杆减速机在工业传动中的最大效能。对于更复杂的应用或特殊工况,建议进一步查阅完整的产品样本或咨询专业技术人员,以获得最适配的解决方案。