减速机(WWJ025型尺寸图)"> QQ:20275456
减速机(WWJ025型尺寸图)">
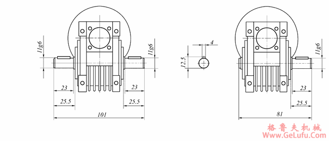
上图清晰展示了WWJ系列蜗杆减速器中WWJ025型的具体尺寸与结构布局。作为该系列中的一款经典型号,WWJ025型蜗杆减速机以其紧凑的箱体设计、高效的传动方案和稳定的输出性能,在轻工、包装、输送等自动化设备中有着广泛的应用。尺寸图是工程师进行设备选型、空间布局和安装对接的核心依据,图中的每一个标注都至关重要。
gelufu.com.cn
WWJ系列蜗杆减速器,特别是WWJ025型,其核心在于蜗轮与蜗杆的啮合传动。从尺寸图可以看出,其结构主要由输入轴(蜗杆轴)、输出轴(蜗轮轴)、箱体、轴承及密封件等组成。箱体通常采用高强度铸铁铸造,确保足够的刚性以承受传动过程中的扭力与振动,同时其表面经过精密加工,为内部齿轮提供精准的定位与支撑。蜗杆通常由淬硬合金钢制成,经过磨削工艺,确保齿形精度和表面硬度;与之啮合的蜗轮则多采用耐磨的锡青铜材料,这种经典的材质配对在保证传动效率的同时,极大地提升了耐磨性和使用寿命,实现了传动平稳与低噪音的运行效果。 手机:13331225020
WWJ025型蜗杆减速机的一个显著设计特点是其输出轴布局。根据尺寸图显示,该型号采用标准的直角输入输出形式,即电机(输入)与负载(输出)呈90度垂直方向。这种结构非常有利于在设备中节省空间,优化整体布局。例如,在自动门机、搅拌设备或小型提升机构中,电机可以平行于设备主体安装,通过WWJ025型减速机将动力垂直转向,直接驱动执行部件,省去了额外的转向传动装置,使得系统结构更为简洁可靠。
格鲁夫齿轮箱
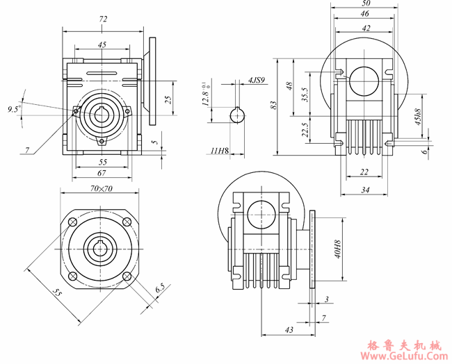
仔细研读WWJ025型尺寸图,需要重点关注以下几组参数:首先是安装尺寸,包括箱体底座的螺栓孔距(图中通常标注为A、B尺寸)和孔径,这直接关系到减速机在设备机架上的固定。其次是轴伸尺寸,包括输入轴和输出轴的直径、键槽尺寸(如“φ”和“宽×深”标注)以及轴伸长度,这决定了与电机和负载联轴器(或链轮、皮带轮)的连接方式。最后是外形轮廓尺寸,即减速机的总长、总宽、总高,这是评估其能否装入预定设备空间的关键。 gelufu
在实际选型应用中,除了尺寸匹配,还需结合WWJ系列蜗轮蜗杆减速机的性能参数。对于WWJ025型,用户需要根据负载的扭矩需求、工作转速、每日运行时间以及所需的减速比来综合判断其是否适用。蜗轮蜗杆传动天生具备反向自锁特性(取决于导程角),这在许多需要防止负载倒转的场合,如提升、卷扬等设备中,是一个非常重要的安全优势,无需额外配置制动器,既节约成本又提高系统可靠性。 格鲁夫丝杆升降机
正确的安装是保证WWJ025型蜗杆减速机性能与寿命的基础。安装时必须保证减速机底座平整、紧固牢靠,并确保输入轴与电机轴的对中精度,避免因不同心造成的额外载荷和振动。使用前需按说明加注指定型号和容量的润滑油,日常维护中定期检查油位和油质,并按推荐周期进行更换。良好的密封设计(从尺寸图中可观察油封位置)能有效防止润滑油泄漏和外部杂质侵入,但定期检查密封件状态仍是必要的维护环节。 电话:0312-6784766
WWJ系列蜗杆减速器是一个完整的家族,WWJ025型是其中具有代表性的一环。用户在选型时,若WWJ025型的扭矩或尺寸不符合要求,可查阅该系列其他型号(如WWJ010, WWJ040, WWJ060等)的尺寸图与参数表,它们具有相似的结构原理和安装接口,但承载能力和外形尺寸逐级递增,为不同功率层级的设备提供了灵活且标准化的动力解决方案。总之,充分理解尺寸图所蕴含的结构、尺寸与接口信息,是成功集成和应用这款高效、可靠的蜗轮蜗杆减速机的步。 格鲁夫丝杆升降机