mail:china@gelufu.com

|
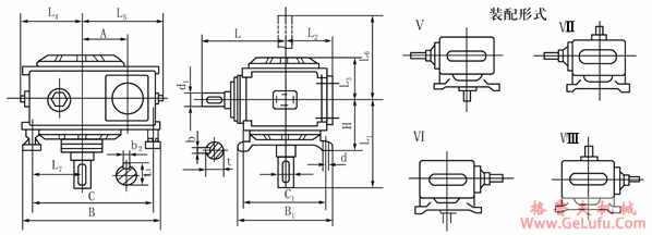
型号
尺寸 |
A |
B |
B1 |
C |
C1 |
H |
L |
L1 |
L2 |
L3 |
L4 |
L5 |
L6 |
L7 |
d |
d1(gc1) |
d2(gc1) |
b |
b1 |
t |
t1 |
重量/kg |
|
WHT42 |
42 |
164 |
135 |
140 |
115 |
66.5 |
120 |
98 |
75 |
53 |
62 |
103 |
98 |
46 |
M8 |
16 |
20 |
6 |
6 |
18.5 |
22.5 |
8 |
|
WHT65 |
65 |
205 |
180 |
177 |
160 |
78 |
144 |
134 |
96 |
63 |
90 |
110 |
134 |
77 |
M8 |
20 |
25 |
6 |
8 |
22.5 |
28 |
16 |
|
WHT80 |
80 |
260 |
240 |
220 |
208 |
105 |
175 |
170 |
113 |
85 |
106 |
157 |
170 |
166 |
M10 |
25 |
35 |
8 |
10 |
27.5 |
37.8 |
27~28 |
|
WHT100 |
100 |
313 |
290 |
268 |
250 |
118 |
210 |
207 |
133 |
95 |
129 |
190 |
207 |
192 |
M12 |
30 |
45 |
8 |
14 |
32.5 |
48.2 |
42~44 |
mail:china@gelufu.com