QQ:20275456
横向耳轴座(TAT)
手机:13331225020
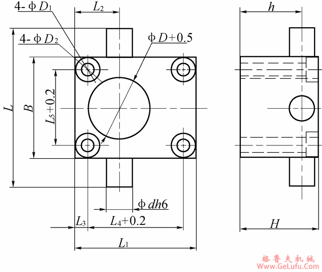
| 型号 | D | d | B | L | L1 | L2 | L3 | L4 | L5 | D1 | D2 | T | H | h |
| CS2.5-TAT | 30 | 12 | 50 | 80 | 60 | 22 | 6 | 48 | 38 | 7 | 11 | 7 | 39 | 31 |
| CS5-TAT | 34 | 15 | 72 | 102 | 80 | 31 | 10 | 60 | 52 | 9 | 15 | 9 | 45 | 35 |
| CS10-TAT | 43 | 20 | 85 | 125 | 100 | 40 | 11 | 78 | 63 | 9 | 15 | 9 | 50 | 37.5 |
| CS25-TAT | 51 | 25 | 105 | 145 | 130 | 54 | 12 | 106 | 81 | 11 | 18 | 11 | 62 | 47 |
| CS50-TAT | 66 | 35 | 145 | 205 | 180 | 78 | 15 | 150 | 115 | 13 | 22 | 13 | 66 | 46 |
| CS150-TAT | 91 | 45 | 165 | 235 | 200 | 83 | 17 | 166 | 131 | 21 | 35 | 21 | 73 | 48 |
| CS250-TAT | 126 | 70 | 220 | 310 | 240 | 100 | 25 | 190 | 170 | 32 | 50 | 31 | 80 | 40 |
| CS350-TAT | 151 | 80 | 250 | 350 | 290 | 125 | 30 | 230 | 190 | 38 | 60 | 37 | 90 | 45 |
| CS500-TAT | 181 | 90 | 300 | 460 | 360 | 152 | 35 | 290 | 230 | 50 | - | - | 100 | 50 |
手机:13331225020