您好,欢迎进入格鲁夫机械设备制造有限公司官网!
减速机|丝杆升降机|减速电机|行业专用减速机|减速机配件|减速机厂|丝杆升降机厂|转向器厂

联系我们

邮箱:china@gelufu.com
电话:0312-6784766
在线咨询

丝杆升降机

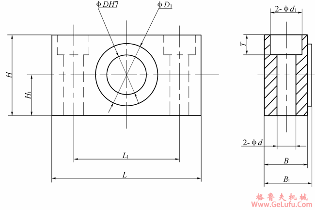
耳轴支座(LB)

发布日期:2023-12-28 20:47 浏览次数:

耳轴支座(LB)(图1) 邮箱:china@gelufu.com

耳轴支座(LB) Mobile:13331225020

耳轴支座(LB)(图2)

型号 D D1 H H1 L L1 B B1 d d1 T
CS2.5-LB 12 20 30 15 50 35 16 18 7 11 7
CS5-LB 15 25 34 17 65 45 20 22 9 15 9
CS10-LB 20 30 38 19 70 50 20 22 9 15 9
CS25-LB 25 35 54 27 80 58 20 22 11 18 11
CS50-LB 35 50 70 35 100 70 30 32 13 22 13
CS150-LB 45 60 80 40 140 100 40 42 22 35 21
CS250-LB 70 90 124 62 220 160 63 65 32 50 31
CS350-LB 80 105 144 72 245 180 63 65 38 60 37
CS500-LB 90 120 160 80 280 20 80 82 50 - -

注:成对使用

WX:grove_company

Copyright © 2023-2025 格鲁夫 版权所有 备案号:冀ICP备19023093号-2

电子营业执照图标 电子营业执照
选择语言
Hello,欢迎来咨询~