Mobile:13331225020
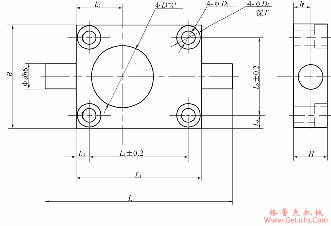
纵向耳轴座(TAL) gelufu.com.cn
gelufu.com
| 型号 | D | d | B | L | L1 | L2 | L3 | L4 | L5 | D1 | D2 | T | H | h |
| CS2.5-TAL | 30 | 12 | 50 | 90 | 60 | 22 | 6 | 48 | 38 | 7 | 11 | 7 | 16 | 8 |
| CS5-TAL | 34 | 15 | 72 | 110 | 80 | 31 | 10 | 60 | 52 | 9 | 15 | 9 | 20 | 10 |
| CS10-TAL | 43 | 20 | 85 | 140 | 100 | 40 | 11 | 78 | 63 | 9 | 15 | 9 | 25 | 12.5 |
| CS25-TAL | 51 | 25 | 105 | 170 | 130 | 54 | 12 | 106 | 81 | 11 | 18 | 11 | 30 | 15 |
| CS50-TAL | 66 | 35 | 145 | 240 | 180 | 78 | 15 | 150 | 115 | 13 | 22 | 13 | 40 | 20 |
| CS150-TAL | 91 | 45 | 165 | 270 | 200 | 83 | 17 | 166 | 131 | 21 | 35 | 21 | 50 | 25 |
| CS250-TAL | 126 | 70 | 220 | 330 | 240 | 100 | 25 | 190 | 170 | 32 | 50 | 31 | 80 | 40 |
| CS350-TAL | 151 | 80 | 250 | 390 | 290 | 125 | 30 | 230 | 190 | 38 | 60 | 37 | 90 | 45 |
| CS500-TAL | 181 | 90 | 300 | 520 | 360 | 152 | 35 | 290 | 230 | 50 | - | - | 100 | 50 |