Mobile:13331225020


|
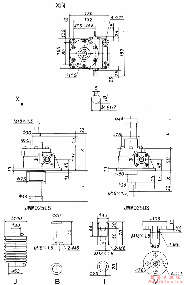
行程(mm) |
US | |||||
|
X |
X⑴ |
L |
m(kg) | |||
|
MIN |
MAX |
MIN |
MAX | |||
|
100 |
132 |
232 |
147 |
247 |
149 |
7.7 |
|
200 |
132 |
332 |
147 |
347 |
249 |
8.1 |
|
300 |
132 |
432 |
167 |
467 |
369 |
8.5 |
|
400 |
132 |
532 |
167 |
567 |
469 |
8.9 |
|
500 |
132 |
632 |
187 |
687 |
589 |
9.4 |
|
600 |
132 |
732 |
187 |
787 |
689 |
9.8 |
|
800 |
132 |
932 |
207 |
1007 |
909 |
11 |
|
1000 |
132 |
1132 |
207 |
1227 |
1129 |
12 |
|
1200 |
132 |
1332 |
|
|
1344 |
13 |
|
行程(mm) |
DS | |||||
|
X |
X⑴ |
L |
m(kg) | |||
|
MIN |
MAX |
MIN |
MAX | |||
|
100 |
42 |
142 |
57 |
157 |
149 |
7.7 |
|
200 |
42 |
242 |
57 |
257 |
249 |
8.1 |
|
300 |
42 |
342 |
77 |
377 |
369 |
8.5 |
|
400 |
42 |
445 |
77 |
477 |
469 |
8.9 |
|
500 |
42 |
542 |
97 |
597 |
589 |
9.4 |
|
600 |
42 |
642 |
97 |
697 |
689 |
9.8 |
|
800 |
42 |
842 |
117 |
917 |
909 |
11 |
|
1000 |
42 |
1042 |
137 |
1137 |
1129 |
12 |
|
1200 |
42 |
1242 |
|
|
1344 |
13 |
|
行程(mm) |
UR | |||
|
X |
Y |
m(kg) | ||
|
MIN |
MAX | |||
|
100 |
133 |
233 |
279 |
9.2 |
|
200 |
133 |
333 |
379 |
9.5 |
|
300 |
133 |
433 |
479 |
9.9 |
|
400 |
133 |
533 |
579 |
11 |
|
500 |
133 |
633 |
679 |
11 |
|
600 |
133 |
733 |
779 |
11 |
|
800 |
133 |
933 |
979 |
12 |
|
1000 |
133 |
1133 |
1179 |
13 |
|
1200 |
133 |
1333 |
1379 |
13 |
|
行程(mm) |
DR | |||
|
X |
Y |
m(kg) | ||
|
MIN |
MAX | |||
|
100 |
79 |
179 |
189 |
9.2 |
|
200 |
79 |
279 |
289 |
9.5 |
|
300 |
79 |
379 |
389 |
9.9 |
|
400 |
79 |
479 |
489 |
11 |
|
500 |
79 |
579 |
589 |
11 |
|
600 |
79 |
679 |
689 |
11 |
|
800 |
79 |
879 |
889 |
12 |
|
1000 |
79 |
1079 |
1089 |
13 |
|
1200 |
79 |
1279 |
1389 |
13 |