传真:0312-6784733
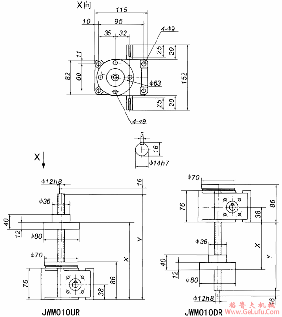
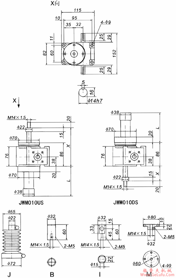
JWM010丝杠升降机外形尺寸
www.gelufu.com
格鲁夫减速机

|
行程(mm) |
US | |||||
|
X |
X⑴ |
L |
m(kg) | |||
|
MIN |
MAX |
MIN |
MAX | |||
|
100 |
101 |
201 |
161 |
261 |
194 |
5.5 |
|
200 |
101 |
301 |
161 |
361 |
294 |
5.7 |
|
300 |
101 |
401 |
201 |
501 |
434 |
6.1 |
|
400 |
101 |
501 |
201 |
601 |
534 |
6.3 |
|
500 |
101 |
601 |
236 |
736 |
669 |
6.6 |
|
600 |
101 |
701 |
236 |
836 |
769 |
6.9 |
|
800 |
101 |
901 |
271 |
1071 |
1004 |
7.5 |
|
1000 |
101 |
1101 |
301 |
1301 |
1234 |
8.0 |
|
行程(mm) |
DS | |||||
|
X |
X⑴ |
L |
m(kg) | |||
|
MIN |
MAX |
MIN |
MAX | |||
|
100 |
25 |
125 |
75 |
175 |
194 |
5.5 |
|
200 |
25 |
225 |
75 |
275 |
294 |
5.7 |
|
300 |
25 |
325 |
115 |
415 |
434 |
6.1 |
|
400 |
25 |
425 |
115 |
515 |
534 |
6.3 |
|
500 |
25 |
525 |
150 |
650 |
669 |
6.6 |
|
600 |
25 |
625 |
150 |
750 |
769 |
6.9 |
|
800 |
25 |
825 |
185 |
985 |
1004 |
7.5 |
|
1000 |
25 |
1025 |
215 |
1215 |
1234 |
8.0 |
|
行程(mm) |
UR | |||
|
X |
Y |
m(kg) | ||
|
MIN |
MAX | |||
|
100 |
108 |
208 |
246 |
5.9 |
|
200 |
108 |
308 |
346 |
6.1 |
|
300 |
108 |
408 |
446 |
6.2 |
|
400 |
108 |
508 |
546 |
6.4 |
|
500 |
108 |
608 |
646 |
6.6 |
|
600 |
108 |
708 |
746 |
6.8 |
|
800 |
108 |
908 |
946 |
7.2 |
|
1000 |
108 |
1108 |
1146 |
7.6 |
|
行程(mm) |
DR | |||
|
X |
Y |
m(kg) | ||
|
MIN |
MAX | |||
|
100 |
50 |
150 |
160 |
5.9 |
|
200 |
50 |
250 |
260 |
6.1 |
|
300 |
50 |
350 |
360 |
6.2 |
|
400 |
50 |
450 |
460 |
6.4 |
|
500 |
50 |
550 |
560 |
6.6 |
|
600 |
50 |
650 |
660 |
6.8 |
|
800 |
50 |
850 |
860 |
7.2 |
|
1000 |
50 |
1050 |
1060 |
7.6 |