QQ:20275456


|
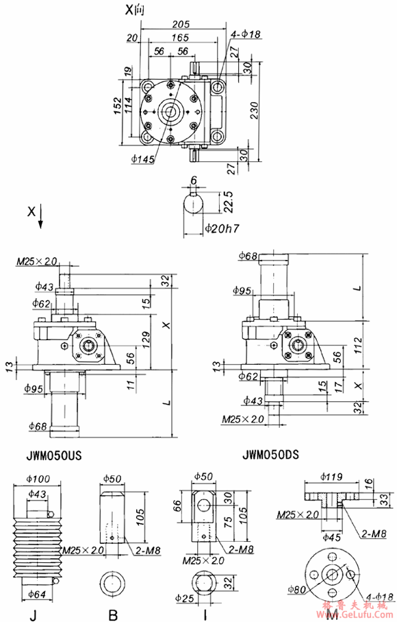
行程(mm) |
US | |||||
|
X |
X⑴ |
L |
m(kg) | |||
|
MIN |
MAX |
MIN |
MAX | |||
|
100 |
154 |
254 |
169 |
269 |
147 |
18 |
|
200 |
154 |
354 |
169 |
369 |
247 |
19 |
|
300 |
154 |
454 |
189 |
489 |
367 |
20 |
|
400 |
154 |
554 |
189 |
589 |
467 |
21 |
|
500 |
154 |
654 |
209 |
709 |
587 |
22 |
|
600 |
154 |
754 |
209 |
809 |
687 |
23 |
|
800 |
154 |
954 |
229 |
1029 |
907 |
25 |
|
1000 |
154 |
1154 |
249 |
1249 |
1127 |
27 |
|
1200 |
154 |
1354 |
|
|
1342 |
29 |
|
行程(mm) |
DS | |||||
|
X |
X⑴ |
L |
m(kg) | |||
|
MIN |
MAX |
MIN |
MAX | |||
|
100 |
42 |
142 |
57 |
157 |
147 |
18 |
|
200 |
42 |
242 |
57 |
257 |
247 |
19 |
|
300 |
42 |
342 |
77 |
377 |
367 |
20 |
|
400 |
42 |
442 |
77 |
477 |
467 |
21 |
|
500 |
42 |
542 |
97 |
597 |
587 |
22 |
|
600 |
42 |
642 |
97 |
697 |
687 |
23 |
|
800 |
42 |
842 |
117 |
917 |
907 |
25 |
|
1000 |
42 |
1042 |
137 |
1137 |
1127 |
27 |
|
1200 |
42 |
1242 |
152 |
|
|
29 |
|
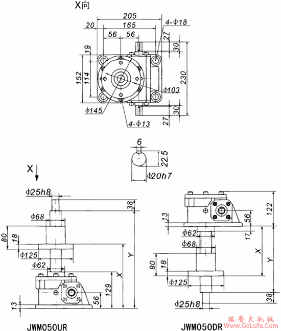
行程(mm) |
UR | |||
|
X |
Y |
m(kg) | ||
|
MIN |
MAX | |||
|
100 |
157 |
257 |
330 |
22 |
|
200 |
157 |
357 |
430 |
22 |
|
300 |
157 |
457 |
530 |
23 |
|
400 |
157 |
557 |
630 |
24 |
|
500 |
157 |
657 |
730 |
25 |
|
600 |
157 |
757 |
830 |
26 |
|
800 |
157 |
957 |
1030 |
27 |
|
1000 |
157 |
1157 |
1230 |
29 |
|
1200 |
157 |
1357 |
1430 |
30 |
|
行程(mm) |
DR | |||
|
X |
Y |
m(kg) | ||
|
MIN |
MAX | |||
|
100 |
107 |
207 |
218 |
22 |
|
200 |
107 |
307 |
318 |
22 |
|
300 |
107 |
407 |
418 |
23 |
|
400 |
107 |
507 |
518 |
24 |
|
500 |
107 |
607 |
618 |
25 |
|
600 |
107 |
707 |
718 |
26 |
|
800 |
107 |
907 |
918 |
27 |
|
1000 |
107 |
1107 |
1118 |
29 |
|
1200 |
107 |
1307 |
1318 |
30 |