您好,欢迎进入格鲁夫机械设备制造有限公司官网!
繁體
|
网站地图
|
Tag标签
|
在线留言
|
联系我们
网站首页
Home
关于我们
ABOUT US
关于我们
售后保障
产品中心
PRODUCT
蜗轮减速机
齿轮减速机
丝杆升降机
减速电机
精密减速机
行业专用减速机
联轴器
摆线针轮减速机
技术文章
NEWS
蜗轮减速机
齿轮减速机
摆线针轮减速机
精密减速机
丝杆升降机
行星齿轮减速机
行业专用减速机
联轴器
减速机相关
问题解疑
减速电机
无极变速器
国外及港台减速机
电机
合作案例
CASE
售后服务
service
在线留言
MESSAGE
联系我们
CONTACT US
技术文章
蜗轮减速机
齿轮减速机
摆线针轮减速机
精密减速机
丝杆升降机
行星齿轮减速机
行业专用减速机
联轴器
减速机相关
问题解疑
减速电机
无极变速器
国外及港台减速机
电机
推荐产品
LX12型星形弹
B2型大功率工业
LMD7 LMS
NL10型尼龙齿
联系我们
邮箱:
china@gelufu.com
电话:
0312-6784766
地址:
莲池区焦庄乡
在线咨询
主页
>
技术文章
>
减速电机
减速电机
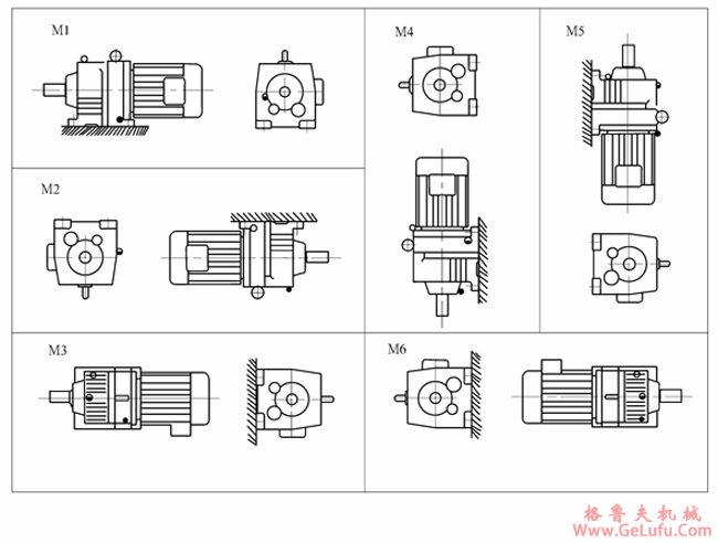
C系列斜齿轮减速机安装型式
发布日期:2023-12-28 19:36
浏览次数:
Mobile:13331225020
C系列斜齿轮减速机安装型式
gelufu
格鲁夫齿轮箱
格鲁夫机械
上一篇:C系列斜齿轮减速机产品简介
下一篇:C系列斜齿轮减速机标记示例
查看更多 >>
推荐资讯
ZLY、ZLZ圆柱齿轮减速机型号、规格及
ZLY、ZLZ硬齿面中硬齿面圆柱齿轮减速机JB/T8853-2001简介,ZLY、ZLZ硬齿面中硬齿面圆柱齿轮减速机JB...
ZB变幅摆线齿轮减速机的选用
ZB变幅摆线齿轮减速机简介,ZB变幅摆线齿轮减速机特点,ZB变幅摆线齿轮减速机参数,ZB变幅摆线齿轮减速机具体型号,ZB...
WQDX3系列部分回转型阀门手动装置外形
WQDX3系列部分回转型阀门手动装置简介,WQDX3系列部分回转型阀门手动装置特点,WQDX3系列部分回转型阀门手动装置...
CWG双级蜗轮齿轮减速机输出轴许用载荷
CWG双级蜗轮齿轮减速器简介,CWG双级蜗轮齿轮减速器特点,CWG双级蜗轮齿轮减速器参数,CWG双级蜗轮齿轮减速器具体型...