您好,欢迎进入格鲁夫机械设备制造有限公司官网!
减速机|丝杆升降机|减速电机|行业专用减速机|减速机配件|减速机厂|丝杆升降机厂|转向器厂

联系我们

邮箱:china@gelufu.com
电话:0312-6784766
地址:莲池区焦庄乡 在线咨询

蜗轮减速机

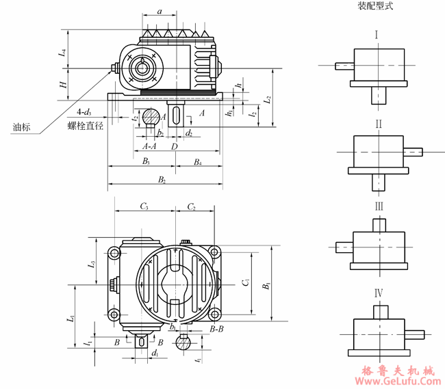
CWS63、CWS80、CWS100型减速机外形和安装尺寸GB9147―88

发布日期:2023-12-28 18:29 浏览次数:

CWS63、CWS80、CWS100型减速机外形和安装尺寸GB9147―88(图1) Mobile:13331225020

CWS63CWS100型减速器外形和安装尺寸 Mobile:13331225020

CWS63、CWS80、CWS100型减速机外形和安装尺寸GB9147―88(图2) 格鲁夫机械

www.gelufu.com.cn

型号\尺寸
a
B1
B2
B3
B4
C1
C2
C3
D
h
h1
i≤12.5
d1
I1
b1
t1
L1
63
63
155
245
140
105
125
90
125
190
23
5
19js6
28
6
21.5
128
80
80
180
270
160
110
150
95
145
210
23
5
24js6
36
8
27
151
100
100
220
325
200
125
190
110
185
240
23
5
28js6
42
8
31
182
型号尺寸
i≥16
d2
I2
b2
t2
L2
L3
L4
H
d3
kg(不含油)
d1
I1
b1
t1
L1
63
19js6
28
6
21.5
128
32k6
58
10
35
135
97
70
75
M12
19
80
24js6
36
8
27
151
38k6
58
10
41
143
110
81
80
M12
28
100
24js6
36
8
27
176
42k6
82
12
45
182
130
95
95
M12
42.5

Copyright © 2023-2025 格鲁夫 版权所有 备案号:冀ICP备19023093号-2

电子营业执照图标 电子营业执照