Mobile:13331225020
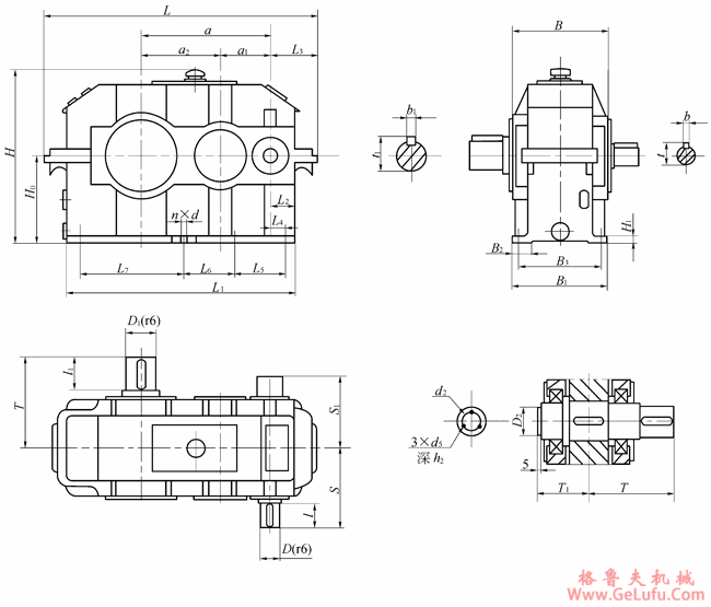
JPT渐开线圆柱齿轮减速器型式及尺寸
格鲁夫配件
格鲁夫减速机
www.gelufu.com
|
型号 |
外形尺寸及中心高 |
B1 |
B2 |
L1 |
L2 |
L3 |
H1 |
地脚尺寸 | |||||||||
|
a |
Ho |
H |
L |
B |
d |
n |
B1 |
L4 |
L5 |
L6 | |||||||
|
JPT400(1) |
400 |
450 |
900 |
1140 |
440 |
440 |
210 |
990 |
198 |
272 |
35 |
M24 |
6 |
380 |
150 |
340 |
510 |
|
JPT500(1) |
300 |
550 |
1104 |
1380 |
530 |
530 |
250 |
1216 |
235 |
317 |
40 |
M30 |
450 |
180 |
410 |
625 | |
|
JPT600(1) |
600 |
650 |
1320 |
1560 |
660 |
660 |
300 |
1410 |
250 |
375 |
48 |
M36 |
570 |
195 |
500 |
735 | |
|
型号 |
高速轴 |
S |
S1 |
低速轴 |
T |
T1 |
装配形式Ⅳ、Ⅴ、Ⅷ、Ⅸ、Ⅺ、Ⅻ |
最大重量/kg | |||||||||
|
l |
D |
b |
t |
l1 |
D1 |
B1 |
T1 |
D1 |
d2 |
d3 |
H2 | ||||||
|
JPT400(1) |
125 |
100 |
28 |
108 |
395 |
415 |
165 |
150 |
40 |
161 |
445 |
245 |
75 |
55 |
M8 |
20 |
1029 |
|
JPT500(1) |
160 |
125 |
36 |
135 |
460 |
480 |
180 |
180 |
45 |
191 |
490 |
280 |
1883 | ||||
|
JPT600(1) |
180 |
150 |
40 |
139 |
565 |
585 |
200 |
220 |
50 |
234 |
590 |
355 |
2681 | ||||
传真:0312-6784733
|
型号 |
外形尺寸及中心高 |
B1 |
B2 |
L1 |
L2 |
L3 |
H1 |
H2 |
地脚尺寸 | ||||||||
|
a |
Ho |
H |
L |
B |
d |
n |
B3 |
L4 |
L5 | ||||||||
|
JPT700(1) |
700 |
500 |
1590 |
1900 |
865 |
865 |
120 |
1755 |
325 |
396 |
80 |
785 |
M42 |
8 |
740 |
210 |
530 |
|
JPT800(1) |
800 |
550 |
1778 |
2120 |
950 |
950 |
140 |
1980 |
360 |
429 |
90 |
885 |
810 |
580 | |||
|
JPT900(1) |
900 |
600 |
1985 |
2580 |
1055 |
1055 |
160 |
2225 |
405 |
482 |
100 |
1000 |
M48 |
870 |
250 |
665 | |
|
JPT1000(1) |
1000 |
650 |
2261 |
2610 |
1100 |
1100 |
180 |
2460 |
445 |
520 |
118 |
1100 |
900 |
710 | |||
|
型号 |
地脚尺寸 |
高速轴 |
S |
低速轴 |
T |
装配形式Ⅳ、Ⅴ、Ⅷ、Ⅸ、Ⅺ、Ⅻ |
最大重量/kg | |||||||||||
|
L6 |
L7 |
l |
D |
b |
t |
l1 |
D1 |
b1 |
T1 |
T1 |
D2 |
d2 |
d3 |
h2 | ||||
|
JPT700(1) |
565 |
420 |
200 |
170 |
40 |
181 |
710 |
260 |
250 |
75 |
25 |
780 |
477 |
75 |
55 |
M8 |
20 |
3780 |
|
JPT800(1) |
640 |
480 |
240 |
190 |
45 |
202 |
755 |
280 |
290 |
87 |
29 |
840 |
520 |
5132 | ||||
|
JPT900(1) |
645 |
550 |
260 |
220 |
50 |
234 |
870 |
320 |
320 |
96 |
92 |
935 |
570 |
6356 | ||||
|
JPT1000(1) |
710 |
600 |
280 |
250 |
56 |
266 |
915 |
350 |
360 |
108 |
36 |
995 |
590 |
7545 | ||||

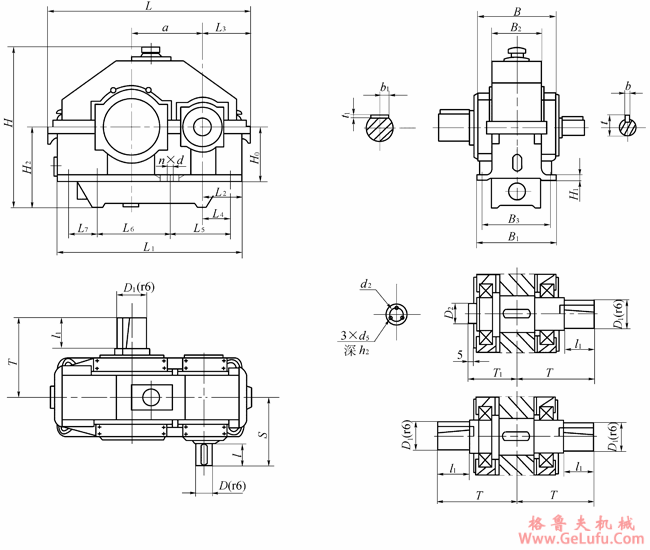
|
型号 |
外形尺寸及中心高 |
B1 |
B2 |
L1 |
L2 |
L3 |
H1 |
地脚尺寸 | ||||||||||
|
a |
a1 |
a2 |
Ho |
H |
L |
B |
d |
n |
B3 |
L4 |
L6 | |||||||
|
JPT450(2) |
750 |
300 |
450 |
500 |
1020 |
1550 |
580 |
580 |
130 |
1340 |
150 |
265 |
40 |
M24 |
8 |
470 |
70 |
200 |
|
JPT500(2) |
850 |
350 |
500 |
550 |
1132 |
1720 |
620 |
620 |
140 |
1510 |
170 |
275 |
530 |
75 |
225 | |||
|
JPT600(2) |
1000 |
400 |
600 |
650 |
1310 |
1990 |
765 |
765 |
130 |
1770 |
190 |
300 |
50 |
M30 |
645 |
90 |
270 | |
|
型号 |
地脚尺寸 |
高速轴 |
S |
S1 |
低速轴 |
T |
装配形式Ⅳ、Ⅴ、Ⅷ、Ⅸ、Ⅺ、Ⅻ |
最大重量/kg | |||||||||||
|
L6 |
L7 |
l |
D |
b |
t |
l1 |
D1 |
b1 |
t1 |
T1 |
D2 |
d2 |
d3 |
h2 | |||||
|
JPT450(2) |
370 |
610 |
105 |
70 |
20 |
74.5 |
450 |
470 |
165 |
160 |
40 |
169 |
515 |
315 |
75 |
55 |
M8 |
20 |
2200 |
|
JPT500(2) |
450 |
660 |
105 |
80 |
22 |
85 |
490 |
510 |
180 |
170 |
40 |
179 |
580 |
345 |
2800 | ||||
|
JPT600(2) |
490 |
810 |
125 |
95 |
25 |
100 |
580 |
610 |
200 |
190 |
45 |
200 |
640 |
410 |
4300 | ||||

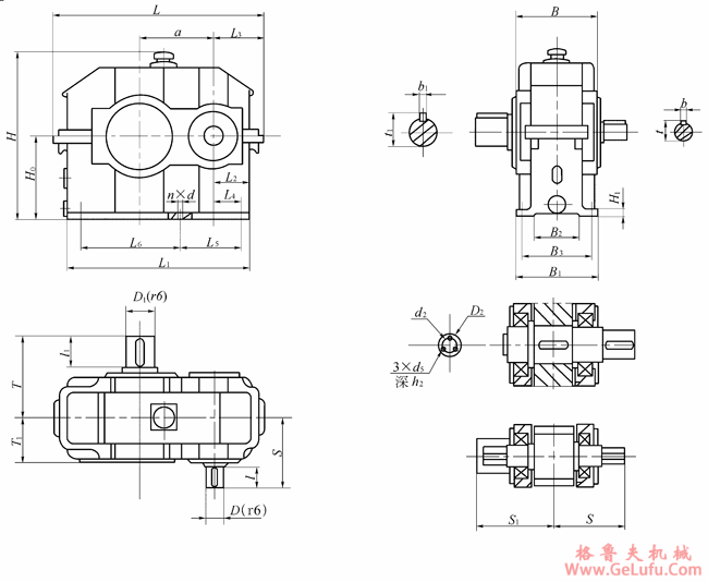
|
型号 |
外形尺寸及中心高 |
B1 |
B2 |
L1 |
L2 |
L3 |
H1 |
地脚尺寸 | ||||||||||
|
a |
a1 |
a2 |
a3 |
Ho |
H |
L |
B |
d |
n |
B3 |
L4 | |||||||
|
JPT350(3) |
750 |
150 |
250 |
350 |
400 |
850 |
1390 |
520 |
520 |
105 |
1190 |
90 |
190 |
50 |
M40 |
10 |
420 |
40 |
|
JPT450(3) |
950 |
200 |
300 |
450 |
500 |
1055 |
1705 |
615 |
615 |
120 |
1505 |
115 |
215 |
55 |
515 |
60 | ||
|
JPT500(3) |
1100 |
250 |
350 |
500 |
550 |
1250 |
1920 |
675 |
675 |
135 |
1720 |
130 |
230 |
60 |
M50 |
565 |
75 | |
|
JPT600(3) |
1250 |
250 |
400 |
600 |
650 |
1355 |
2160 |
830 |
830 |
140 |
1960 |
130 |
230 |
60 |
700 |
75 | ||
|
型号 |
地脚尺寸 |
高速轴 |
S |
S1 |
低速轴 | |||||||||
|
L5 |
L6 |
L7 |
L8 |
l |
D |
b |
t |
L2 |
D1 |
b1 |
t1 | |||
|
JPT350(3) |
100 |
180 |
320 |
400 |
55(70) |
30 |
8 |
33 |
355 |
390 |
140 |
120 |
32 |
127 |
|
JPT450(3) |
150 |
220 |
380 |
465 |
55 |
35 |
10 |
38 |
402.5 |
435 |
165 |
140 |
36 |
148 |
|
JPT500(3) |
175 |
300 |
400 |
535 |
70 |
50 |
14 |
53.5 |
447.9 |
480 |
180 |
170 |
40 |
179 |
|
JPT600(3) |
175 |
300 |
550 |
500 |
70 |
50 |
14 |
53.5 |
525 |
551 |
200 |
200 |
45 |
185 |
| 型号 | T | 装配型式Ⅳ、Ⅴ、Ⅷ、Ⅸ、Ⅺ、Ⅻ、ⅩⅢ | 大重量 kg | ||||
| T1 | D2 | d2 | d5 | h2 | |||
| JPT350(3) | 480 | 298 | 75 | 55 | M8 | 20 | 1412 |
| JPT450(3) | 553 | 325 | 2456 | ||||
| JPT500(3) | 598 | 355 | 3570 | ||||
| JPT600(3) | 721 | 441 | 4947 | ||||

|
型号 |
外形尺寸及中心高 |
B1 |
B2 |
L1 |
L2 |
L3 |
H1 |
H2 |
地脚尺寸 | ||||||||
|
a |
a1 |
a2 |
a3 |
Ho |
H |
L |
B |
d |
n | ||||||||
|
JPT700(3) |
1450 |
300 |
450 |
700 |
500 |
1605 |
2630 |
1015 |
525 |
615 |
2420 |
235 |
95 |
9090 |
785 |
M36M |
13 |
|
JPT800(3) |
1650 |
350 |
500 |
800 |
550 |
1802 |
2970 |
1120 |
535 |
679 |
2764 |
262 |
103 |
100 |
885 |
M42 | |
|
JPT900(3) |
1900 |
400 |
600 |
900 |
600 |
2006 |
3345 |
1260 |
670 |
780 |
3175 |
280 |
110 |
118 |
1000 |
M42 | |
|
JPT1000(3) |
2150 |
450 |
700 |
1000 |
650 |
2195 |
3735 |
1300 |
770 |
874 |
3499 |
307 |
118 |
123 |
1100 |
M48 | |
|
型号 |
地脚尺寸 |
高速轴 |
S |
S1 |
低速轴 | |||||||||||
|
B3 |
L4 |
L5 |
L6 |
L7 |
L8 |
L9 |
l |
D |
b |
t |
l1 |
D1 |
b1 | |||
|
JPT700(3) |
915 |
120 |
240 |
360 |
620 |
105 |
425 |
105 |
50 |
14 |
53.5 |
585 |
462.5 |
240 |
240 |
72 |
|
JPT800(3) |
1000 |
140 |
280 |
420 |
690 |
670 |
485 |
105 |
70 |
20 |
76 |
650 |
505 |
260 |
290(250) |
81(75) |
|
JPT900(3) |
1140 |
150 |
300 |
500 |
775 |
825 |
440 |
105 |
75 |
20 |
81 |
690 |
545 |
280(340) |
300(280) |
90(84) |
|
JPT1000(3) |
1170 |
160 |
360 |
580 |
880 |
860 |
500 |
115 |
90 |
25 |
95 |
785 |
620 |
350 |
340 | 102 |
|
型号 |
低速轴 |
T |
装配形式Ⅳ、Ⅴ、Ⅷ、Ⅸ、Ⅺ、Ⅻ |
最大重量/kg | ||||
|
L1 |
T1 |
D2 |
d2 |
d5 |
h2 | |||
|
JPT700(3) |
24 |
830 |
551 |
75 |
55 |
M8 |
20 |
8000 |
|
JPT800(3) |
27(25) |
905 |
603 |
9753 | ||||
|
JPT900(3) |
30(28) |
990(1050) |
680 |
11890 | ||||
|
JPT1000(3) |
34 |
1135 |
733 |
16670 | ||||
, , %">
, , %">
,