gelufu.com.cn
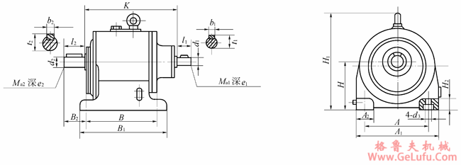
TZL、TZS系列同轴式齿轮减速机外形及安装尺寸JB/T7000-1993
WX:grove_company
格鲁夫机械

|
规格 |
实际传动比i |
d1 |
l1 |
b1 |
t1 |
Ma1 |
e1 | |
|
TZL |
112 |
≤12.71 |
19js6 |
40 |
6 |
21.5 |
M4 |
8 |
|
14.29~20.33 |
16js6 |
40 |
5 |
18 |
M4 |
8 | ||
|
≥22.97 |
11js6 |
23 |
4 |
12.5 |
M3 |
6 | ||
|
140 |
≤12.41 |
24js6 |
50 |
8 |
27 |
M6 |
10 | |
|
13.96~18.08 |
19js6 |
40 |
6 |
21.5 |
M4 |
8 | ||
|
≥19.21 |
16js6 |
40 |
5 |
18 |
M4 |
8 | ||
|
180 |
≤12.40 |
28js6 |
60 |
8 |
31 |
M6 |
10 | |
|
13.61~17.58 |
24js6 |
50 |
8 |
27 |
M6 |
10 | ||
|
19.72 |
19js6 |
40 |
6 |
21.5 |
M4 |
8 | ||
|
225 |
≤12.53 |
38k6 |
80 |
10 |
41 |
M8 |
12 | |
|
13.85~18.29 |
28js6 |
60 |
8 |
31 |
M6 |
10 | ||
|
≥20.65 |
24js6 |
50 |
8 |
27 |
M6 |
10 | ||
|
250 |
≤12.89 |
38k6 |
110 |
12 |
45 |
M8 |
12 | |
|
14.11~20.16 |
32k6 |
80 |
10 |
35 |
M8 |
12 | ||
|
≥22.71 |
24js6 |
50 |
8 |
27 |
M6 |
10 | ||
|
265 |
≤12.08 |
50k6 |
110 |
14 |
53.5 |
M8 |
12 | |
|
14.40~17.51 |
32k6 |
80 |
10 |
35 |
M8 |
12 | ||
|
19.52 |
28js6 |
60 |
8 |
31 |
M6 |
10 | ||
|
300 |
≤12.73 |
55m6 |
110 |
16 |
59 |
M10 |
16 | |
|
13.92~17.80 |
42k6 |
110 |
12 |
45 |
M8 |
12 | ||
|
≥20.29 |
38k6 |
80 |
10 |
41 |
M8 |
12 | ||
|
355 |
≤12.65 |
55m6 |
110 |
16 |
59 |
M10 |
16 | |
|
14.51~20.13 |
50k6 |
110 |
14 |
53.5 |
M8 |
12 | ||
|
22.24 |
42k6 |
110 |
12 |
45 |
M8 |
12 | ||
|
375 |
≤12.56 |
70m6 |
140 |
20 |
74.5 |
M12 |
18 | |
|
14.08~20.16 |
55m6 |
110 |
16 |
59 |
M10 |
16 | ||
|
22.10 |
50k6 |
110 |
14 |
53.5 |
M8 |
12 | ||
|
425 |
≤12.58 |
70m6 |
140 |
20 |
74.5 |
M12 |
18 | |
|
13.97~19.32 |
55m6 |
110 |
16 |
59 |
M10 |
16 | ||
|
22.44 |
50k6 |
110 |
14 |
53.5 |
M8 |
12 | ||
|
规格 |
实际传动比i |
d1 |
l1 |
b1 |
t1 |
Ma1 |
e1 | |
|
TZS |
112 |
≤19.32 |
16js6 |
40 |
5 |
18 |
M4 |
8 |
|
≥21.66 |
11js6 |
23 |
4 |
12.5 |
M3 |
6 | ||
|
140 |
≤18.57 |
19js6 |
40 |
6 |
21.5 |
M4 |
8 | |
|
≥20.59 |
16js6 |
40 |
5 |
18 |
M4 |
8 | ||
|
180 |
≤17.65 |
24js6 |
50 |
8 |
27 |
M6 |
10 | |
|
≥20.42 |
19js6 |
40 |
6 |
21.5 |
M4 |
8 | ||
|
225 |
≤17.41 |
28js6 |
60 |
8 |
31 |
M6 |
10 | |
|
≥20.30 |
24js6 |
50 |
8 |
27 |
M6 |
10 | ||
|
250 |
≤20.61 |
32k6 |
80 |
10 |
35 |
M8 |
12 | |
|
≥23.28 |
24js6 |
50 |
8 |
27 |
M6 |
10 | ||
|
265 |
≤17.96 |
32k6 |
80 |
10 |
35 |
M8 |
12 | |
|
≥19.41 |
28js6 |
60 |
8 |
31 |
M6 |
10 | ||
|
300 |
≤17.26 |
42k6 |
110 |
12 |
45 |
M8 |
12 | |
|
≥20.44 |
38k6 |
80 |
10 |
41 |
M8 |
12 | ||
|
355 |
≤19.67 |
50k6 |
110 |
14 |
53.5 |
M8 |
12 | |
|
≥21.37 |
42k6 |
110 |
12 |
45 |
M8 |
12 | ||
|
375 |
≤19.89 |
55m6 |
110 |
16 |
59 |
M10 |
16 | |
|
≥21.60 |
50k6 |
110 |
14 |
53.5 |
M8 |
12 | ||
|
425 |
≤19.90 |
55m6 |
110 |
16 |
59 |
M10 |
16 | |
|
≥22.52 |
50k6 |
110 |
14 |
53.5 |
M8 |
12 | ||