您好,欢迎进入格鲁夫机械设备制造有限公司官网!
减速机|丝杆升降机|减速电机|行业专用减速机|减速机配件|减速机厂|丝杆升降机厂|转向器厂

联系我们

邮箱:china@gelufu.com
电话:0312-6784766
在线咨询

齿轮减速机

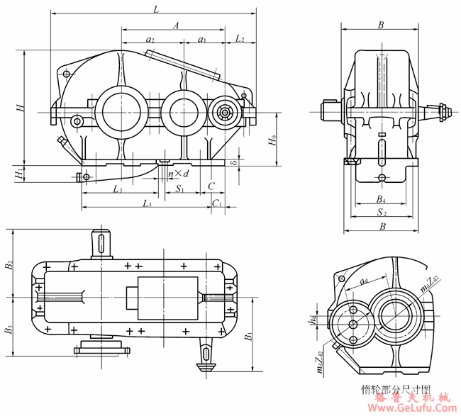
ZQ250、ZQH250、ZQSH250、ZQ350、ZQH350、ZQSH350、ZQ400、ZQH400、ZQSH400、ZQ500、ZQH500、ZQSH500、ZQ650、ZQH650、ZQSH650、ZQ850、ZQH850、ZQSH850、ZQ1000、ZQH1000、ZQSH1000型减速机的外形尺寸及其装配型式

发布日期:2023-12-28 18:44 浏览次数:

ZQ250、ZQH250、ZQSH250、ZQ350、ZQH350、ZQSH350、ZQ400、ZQH400、ZQSH400、ZQ500、ZQH500、ZQSH500、ZQ650、ZQH650、ZQSH650、ZQ850、ZQH850、ZQSH850、ZQ1000、ZQH1000、ZQSH1000型减速机的外形尺寸及其装配型式(图1) mail:china@gelufu.com

ZQ ZQH ZQSH型减速器的外形尺寸及其装配型式

QQ:20275456

ZQ250、ZQH250、ZQSH250、ZQ350、ZQH350、ZQSH350、ZQ400、ZQH400、ZQSH400、ZQ500、ZQH500、ZQSH500、ZQ650、ZQH650、ZQSH650、ZQ850、ZQH850、ZQSH850、ZQ1000、ZQH1000、ZQSH1000型减速机的外形尺寸及其装配型式(图2)

微信:grove_company

ZQ250、ZQH250、ZQSH250、ZQ350、ZQH350、ZQSH350、ZQ400、ZQH400、ZQSH400、ZQ500、ZQH500、ZQSH500、ZQ650、ZQH650、ZQSH650、ZQ850、ZQH850、ZQSH850、ZQ1000、ZQH1000、ZQSH1000型减速机的外形尺寸及其装配型式(图3) 格鲁夫丝杆升降机

型号
中心距
中心高
H0
最大外形尺寸
轴端尺寸
L
L2
L3
a
a1
a2
L
B
H
高速轴
低速轴
B1
B2
B3
ZQ
ZQH
ZQSH
250
250
100
150
160-1
540
230
325
200
220
164.5
345
101
-
350
350
150
200
200-1
730
290
405
260
250
214
470
132
-
400
400
150
250
250-1
826
310
490
270
300
234
490
133
-
500
500
200
300
300-1.5
986
350
590
330
325
270
620
148
-
650
650
250
400
320-1.5
1278
470
700
430
140
342
830
183
495
750
750
300
450
320-1.5
1448
510
745
450
450
362
1020
207
620
850
850
350
500
400-1.5
1632
580
875
510
525
403
1100
236
610
1000
1000
400
600
400-1.5
1896
660
965
550
605
507
1350
257
870
型号
B4
H1
g
安装尺寸
惰轮部分
最大
重量
Kg
C
C1
孔距
孔径
孔数
ad
hd
md
Zd2
S1
S2
ZQ
ZQH
ZQSH
ZQA
250
­―
20
60
28
235
190
17
4
­―
­―
350
­―
25
100
40
310
250
17
4
­―
­―
400
­―
25
110
80
370
270
17
4
­―
­―
500
­―
25
130
80
240
310
17
6
216
30
4
68
650
318
95
35
160
85
215
410
25
8
276
50
4
69
750
362
130
35
155
55
275
450
25
8
­―
­―
850
418
105
40
155
75
300
520
32
8
272
30
4
73
1000
478
200
40
200
100
350
590
32
8
­―
­―
注:1括号内尺寸只用于Z型加粗单伸轴器,且尽可能不用。(如粗单伸轴端仅适用于ZQH、ZQSH)
2 JZQ于ZQ(ZQH、ZQSH)仅出轴键槽不同其它均相同。
规格
250
350
400
500
650
750
850
1000
键宽b2
JZQ型
18(8)
18(8)
28(8)
28(8)
36(10)
36(10)
36(12.8)
40(3.5)
键横深t
ZQ型
16(6.5)
16(6.5)
24(9)
24(9)
32(11.5)
32(11.5)
36(12.8)
40(13.5)

Copyright © 2023-2025 格鲁夫 版权所有 备案号:冀ICP备19023093号-2

电子营业执照图标 电子营业执照
选择语言
Hello,欢迎来咨询~