

减速机概述
减速机的用途,性能特点和型号标记
(1)用途
圆锥圆柱齿轮减速机(以下简称减速机)用于输入轴与输出轴呈垂直方向布置的传动装置。这与DBYK560息息相关。这与DBYK500息息相关。这是DBYK560的重要体现。这与DBYK450息息相关。这是DBYK500的重要体现。这与DBYK400息息相关。这是DBYK450的重要体现。这与DBYK355息息相关。这是DBYK400的重要体现。这与DBYK315息息相关。这是DBYK355的重要体现。这与DBYK280息息相关。这是DBYK315的重要体现。这与DBYK250息息相关。这是DBYK280的重要体现。这与DBYK224息息相关。这是DBYK250的重要体现。这与DBYK200息息相关。这是DBYK224的重要体现。这与DBYK180息息相关。这是DBYK200的重要体现。这与DBYK160息息相关。这是DBYK180的重要体现。主要用于带式输送机及各种运输机械,也可用于煤炭、冶金、矿山、化工、建材、轻工、石油等各种通用机械的传动机构中。这是DBYK160的重要体现。 WX:grove_company
(2)性能特点
承载能力高,澡声低,体积小,重量轻,效率高,使用寿命长。
(3)参数范围
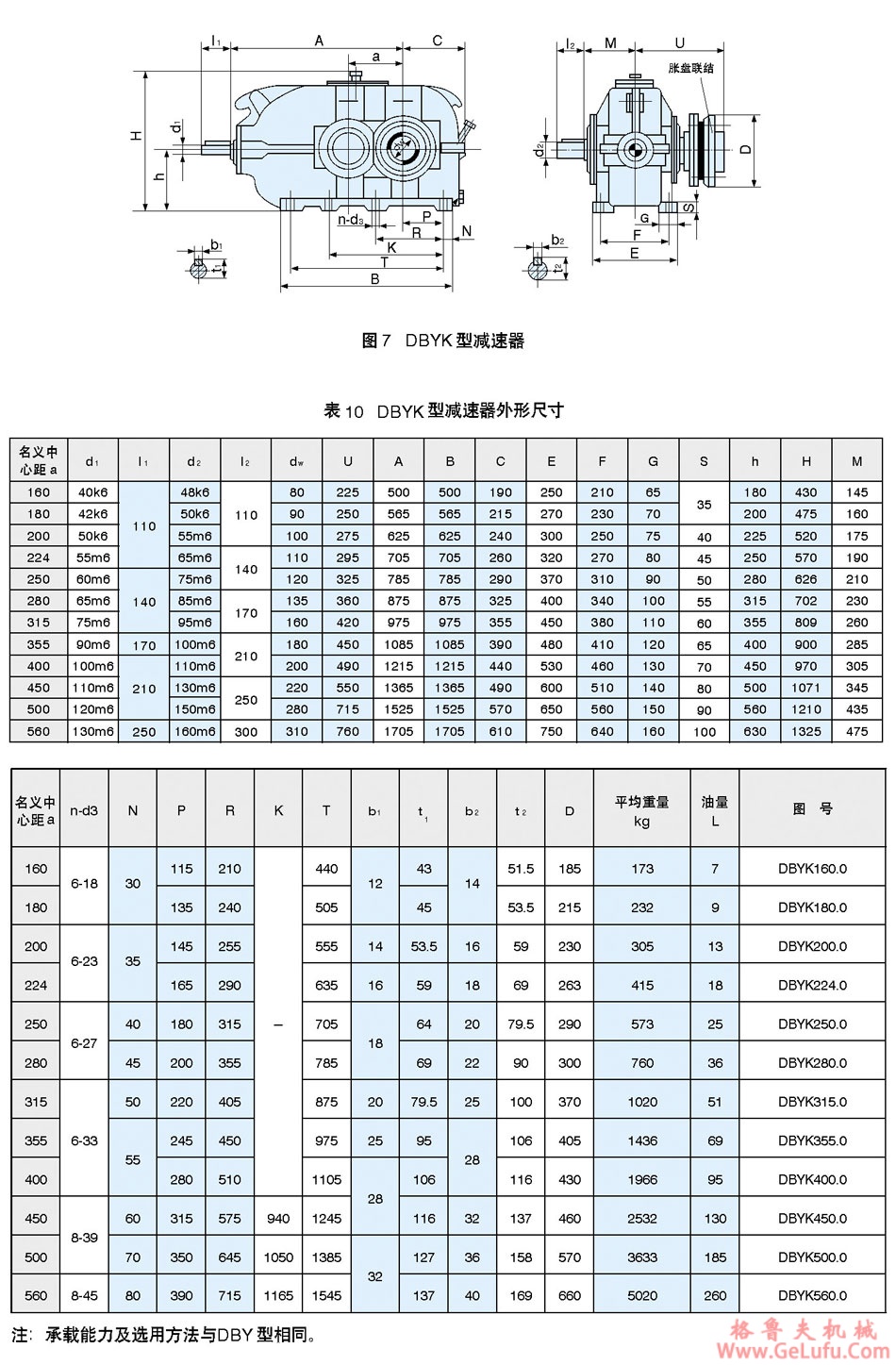
减速机参数范围详解
DBY、DBYK、DBX型减速机各有12种规格,名义中心距为:160,180,200,224,250,280,315,355,400,450,500,560mm;每种规格均有5种传动比(8,10,11.2,12.5,14),两种旋向,四种装配形式,分别组成240种减速机。
DCY、DCYK、DCZ型减速机各有15种规格,名义中心距为:160,180,200,224,250,280,315,355,400,450,500,560,630,710,800mm;每种规格均有11种传动比(16,18,20,22.4,25,28,31.5,35.5,40,45,50),两种旋向,四种装配型式,分别组成660种减速机。 Mobile:13331225020
(4)结构
减速机结构与润滑
减速机的级传动为格里森弧齿锥齿轮,第二、三级传动则为渐开线圆柱斜齿轮。
减速机的润滑:一般情况下,减速机的齿轮和轴承采用油池飞溅润滑,自然冷却。只有当减速机工作平衡温度超过规定值或承载功率超过热功率时,方采用循环润滑,或采用加冷却管的油池润滑。
gelufu.com.cn
www.gelufu.com
电话:0312-6784766
格鲁夫减速机
电话:0312-6784766
传真:0312-6784733


















DBY、DBYK、DBX型减速机

DBY、DBYK、DBX型减速机
DBY、DBYK、DBX型减速机
DBY、DBYK、DBX型减速机
DBY、DBYK、DBX型减速机
DBY、DBYK、DBX型减速机