您好,欢迎进入格鲁夫机械设备制造有限公司官网!
减速机|丝杆升降机|减速电机|行业专用减速机|减速机配件|减速机厂|丝杆升降机厂|转向器厂

联系我们

邮箱:china@gelufu.com
电话:0312-6784766
在线咨询

齿轮减速机

TZLD112、TZSD112、TZLD140、TZSD140、TZLD180、TZSD180、TZLD225、TZSD225、TZLD250、TZSD250、TZLD265、TZSD265、TZLD300、TZSD300、TZLD355、TZSD355、TZLD375、TZSD375、TZLD425、TZSD425、型减速机主要尺寸(JB/T7000-1993)

发布日期:2023-12-28 18:50 浏览次数:

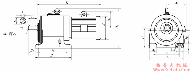
TZLD112、TZSD112、TZLD140、TZSD140、TZLD180、TZSD180、TZLD225、TZSD225、TZLD250、TZSD250、TZLD265、TZSD265、TZLD300、TZSD300、TZLD355、TZSD355、TZLD375、TZSD375、TZLD425、TZSD425、型减速机主要尺寸(JB/T7000-1993)(图1) mail:china@gelufu.com

TZLD、TZSD型减速器主要尺寸JB/T7000-1993
TZLD112、TZSD112、TZLD140、TZSD140、TZLD180、TZSD180、TZLD225、TZSD225、TZLD250、TZSD250、TZLD265、TZSD265、TZLD300、TZSD300、TZLD355、TZSD355、TZLD375、TZSD375、TZLD425、TZSD425、型减速机主要尺寸(JB/T7000-1993)(图2)
TZLD、TZSD型减速器主要尺寸 /mm
TZLD112、TZSD112、TZLD140、TZSD140、TZLD180、TZSD180、TZLD225、TZSD225、TZLD250、TZSD250、TZLD265、TZSD265、TZLD300、TZSD300、TZLD355、TZSD355、TZLD375、TZSD375、TZLD425、TZSD425、型减速机主要尺寸(JB/T7000-1993)(图3)
注:L代表TZLD,S代表TZSD。
TZLD型减速器质量及直联电动机有关尺寸 /mm
TZLD112、TZSD112、TZLD140、TZSD140、TZLD180、TZSD180、TZLD225、TZSD225、TZLD250、TZSD250、TZLD265、TZSD265、TZLD300、TZSD300、TZLD355、TZSD355、TZLD375、TZSD375、TZLD425、TZSD425、型减速机主要尺寸(JB/T7000-1993)(图4)
TZSD型减速器质量及直联电动机有关尺寸 /mm
TZLD112、TZSD112、TZLD140、TZSD140、TZLD180、TZSD180、TZLD225、TZSD225、TZLD250、TZSD250、TZLD265、TZSD265、TZLD300、TZSD300、TZLD355、TZSD355、TZLD375、TZSD375、TZLD425、TZSD425、型减速机主要尺寸(JB/T7000-1993)(图5)

Copyright © 2023-2025 格鲁夫 版权所有 备案号:冀ICP备19023093号-2

电子营业执照图标 电子营业执照
选择语言
Hello,欢迎来咨询~