您好,欢迎进入格鲁夫机械设备制造有限公司官网!
减速机|丝杆升降机|减速电机|行业专用减速机|减速机配件|减速机厂|丝杆升降机厂|转向器厂

联系我们

邮箱:china@gelufu.com
电话:0312-6784766
在线咨询

行星齿轮减速机

SCCJW2-11、SCCJW2-17、SCCJW2-23、SCCJW2-29、SCCJW2-35、SCCJW2-43、SCCJW2-59、SCCJW2-71、SCCJW2-87、SCCJW3-11、SCCJW3-17、SCCJW3-23、SCCJW3-29、SCCJW3-35、SCCJW3-43、SCCJW3-59、SCCJW3-71、SCCJW3-87、SCCJW4-11、SCCJW4-17、

发布日期:2023-12-28 19:29 浏览次数:

SCCJW2-11、SCCJW2-17、SCCJW2-23、SCCJW2-29、SCCJW2-35、SCCJW2-43、SCCJW2-59、SCCJW2-71、SCCJW2-87、SCCJW3-11、SCCJW3-17、SCCJW3-23、SCCJW3-29、SCCJW3-35、SCCJW3-43、SCCJW3-59、SCCJW3-71、SCCJW3-87、SCCJW4-11、SCCJW4-17、(图1) mail:china@gelufu.com

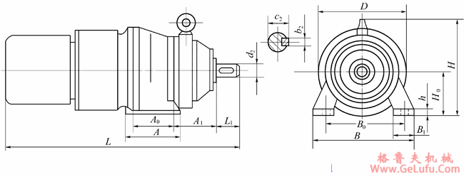
SCCJW型少齿差行星齿轮减速机的安装尺寸 QQ:47447450

格鲁夫

SCCJW2-11、SCCJW2-17、SCCJW2-23、SCCJW2-29、SCCJW2-35、SCCJW2-43、SCCJW2-59、SCCJW2-71、SCCJW2-87、SCCJW3-11、SCCJW3-17、SCCJW3-23、SCCJW3-29、SCCJW3-35、SCCJW3-43、SCCJW3-59、SCCJW3-71、SCCJW3-87、SCCJW4-11、SCCJW4-17、(图2) 传真:0312-6784733

型号
中心高H0
外形尺寸
安装尺寸
输出轴
H
B
D
A
L
A1
A0
B1
B0
h
d2
(js6)
b2
c2
L1
SCCJW2-11
SCCJW2-17
SCCJW2-23
SCCJW2-29
SCCJW2-35
SCCJW2-43
SCCJW2-59
SCCJW2-71
SCCJW2-87
1600.5
1320.5
1120.5
1120.5
1120.5
1120.5
1120.5
1120.5
1120.5
315
287
267
267
267
267
267
267
267
310
310
310
310
310
310
310
310
310
340
360
250
250
250
230
230
230
230
215
215
215
215
215
215
215
215
215
1109
984
887
887
887
827
827
827
827
137
137
112
112
112
102
102
102
102
165
165
165
165
165
165
165
165
165
50
50
50
50
50
50
56
50
50
260
260
260
260
260
260
260
260
260
20
20
20
20
20
20
20
20
20
45
45
45
45
45
45
45
45
45
16
16
16
16
16
16
16
16
16
50.1
50.1
50.1
50.1
50.1
50.1
50.1
50.1
50.1
80
80
80
80
80
80
80
80
80
SCCJW3-11
SCCJW3-17
SCCJW3-23
SCCJW3-29
SCCJW3-35
SCCJW3-43
SCCJW3-59
SCCJW3-71
SCCJW3-87
1600.5
1600.5
1320.5
1320.5
1320.5
1320.5
1320.5
1320.5
1320.5
330
330
302
302
302
302
302
302
302
350
350
310
310
310
310
310
310
310
350
340
300
300
300
300
250
250
250
215
215
215
215
215
215
215
215
215
1258
1158
1032
1032
1003
1003
933
903
903
148
148
148
148
148
148
128
128
128
165
165
165
165
165
165
165
165
165
50
50
50
50
50
50
50
50
50
300
300
260
260
260
260
260
260
260
25
25
25
25
25
25
25
25
25
55
55
55
55
55
55
55
55
55
16
16
16
16
16
16
16
16
16
60.1
60.1
60.1
60.1
60.1
60.1
60.1
60.1
60.1
80
80
80
80
80
80
80
80
80
SCCJW4-11
SCCJW4-17
SCCJW4-23
SCCJW4-29
SCCJW4-35
SCCJW4-43
SCCJW4-59
SCCJW4-71
SCCJW4-87
1600.5
1600.5
1600.5
1600.5
1600.5
1600.5
1600.5
1600.5
1600.5
370.5
370.5
370.5
370.5
370.5
370.5
370.5
370.5
370.5
340
340
340
340
340
340
340
340
340
350
340
340
340
328
328
328
328
320
230
230
230
230
230
230
230
230
230
1278
1178
1148
1148
1023
1023
1003
943
943
183
183
183
183
183
183
183
183
183
186
180
180
180
180
180
180
180
180
50
50
50
50
50
50
50
50
50
290
290
290
290
290
290
290
290
290
25
25
25
25
25
25
25
25
25
60
60
60
60
60
60
60
60
60
16
16
16
16
16
16
16
16
16
65.1
65.1
65.1
65.1
65.1
65.1
65.1
65.1
65.1
82
82
82
82
82
82
82
82
82
SCCJW5-11
SCCJW5-17
SCCJW5-23
SCCJW5-29
SCCJW5-35
SCCJW5-43
SCCJW5-59
SCCJW5-71
SCCJW5-87
2000.5
2000.5
2000.5
2000.5
2000.5
2000.5
2000.5
2000.5
2000.5
387
387
387
387
387
387
387
387
387
440
440
440
440
440
440
440
440
440
374
374
374
374
374
374
374
374
374
320
320
320
320
320
320
320
320
320
1430.5
1385.5
1340.5
1310.5
1310.5
1190.5
1210.5
1085.5
1065.5
169.5
169.5
169.5
169.5
169.5
169.5
169.5
169.5
169.5
260
260
260
260
260
260
260
260
260
60
60
60
60
60
60
60
60
60
380
380
380
380
380
380
380
380
380
30
30
30
30
30
30
30
30
30
70
70
70
70
70
70
70
70
70
18
18
18
18
18
18
18
18
18
74.6
74.6
74.6
74.6
74.6
74.6
74.6
74.6
74.6
100
100
100
100
100
100
100
100
100

Mobile:13331225020

Copyright © 2023-2025 格鲁夫 版权所有 备案号:冀ICP备19023093号-2

电子营业执照图标 电子营业执照
选择语言
Hello,欢迎来咨询~