您好,欢迎进入格鲁夫机械设备制造有限公司官网!
减速机|丝杆升降机|减速电机|行业专用减速机|减速机配件|减速机厂|丝杆升降机厂|转向器厂

联系我们

邮箱:china@gelufu.com
电话:0312-6784766
在线咨询

行星齿轮减速机

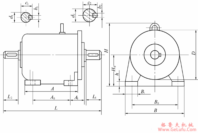
SCCTW1-11、SCCTW1-17、SCCTW1-23、SCCTW1-29、SCCTW1-35、SCCTW1-43、SCCTW1-59、SCCTW1-71、SCCTW1-87、型少齿差行星齿轮减速机的安装尺寸

发布日期:2023-12-28 19:29 浏览次数:

SCCTW1-11、SCCTW1-17、SCCTW1-23、SCCTW1-29、SCCTW1-35、SCCTW1-43、SCCTW1-59、SCCTW1-71、SCCTW1-87、型少齿差行星齿轮减速机的安装尺寸(图1) www.gelufu.com.cn

SCCTW型少齿差行星齿轮减速机的安装尺寸 fax:0312-6784733

SCCTW1-11、SCCTW1-17、SCCTW1-23、SCCTW1-29、SCCTW1-35、SCCTW1-43、SCCTW1-59、SCCTW1-71、SCCTW1-87、型少齿差行星齿轮减速机的安装尺寸(图2)

mail:china@gelufu.com

型号
中心高H0
外形尺寸
安装尺寸
输出轴
输入轴
H
B
D
A
L
A1
A
B1
B0
h
d2
b2
c2
L1
d1
b1
c1
L2
SCCTW1-11
SCCTW1-17
SCCTW1-23
SCCTW1-29
SCCTW1-35
SCCTW1-43
SCCTW1-59
SCCTW1-71
SCCTW1-87
100
238
210
180
150
353.5
64
90
32
180
180
45
16
50.1
85
28
8
31.1
50

gelufu.com.cn

Copyright © 2023-2025 格鲁夫 版权所有 备案号:冀ICP备19023093号-2

电子营业执照图标 电子营业执照
选择语言
Hello,欢迎来咨询~