

齿式联轴器由齿数相同的内齿圈和外齿组成,由于内齿和外齿有很大的间隙,故允许联接的联传动轴系有较大的位移,并能承受较大的载荷。
NL鼓形齿式联轴器主要应用于中小转矩的工矿环境,例如风机、水泵、油泵、润滑泵、纺织机械、印染机械等,尼龙内齿圈齿联轴器其内齿圈材料采用MC尼龙材料,外齿轴套采用45号锻钢,具有尺寸小、重量轻、转动惯量小、噪音小、装拆方便、不用润滑等优点。
结构特点:
1、具有较高的缓冲减振性能,并有较大幅度的轴向、角向、径向位移偏差的补偿能力。
2、由于工程塑料与金属件的配合,具有良好的自润滑性能,是十分理想的近似弹性联轴器。
3、外壳模具成型简化了加工工艺,成本低。使用环境温度20ºC+80ºC。 Mobile:13331225020
4、装配维修特别简单。广泛用于各种液压泵、润滑泵、气动泵、压缩机,纺织机等机械上
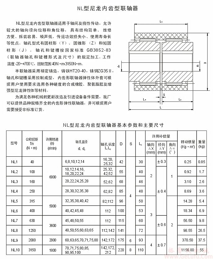
5、NL型尼龙联轴器适用于轴向及挠性传动,允许较大的轴向径向位移和角位移,具有结构简单,维修方便,拆装容易,噪声低,传运功效损失小,使用寿命长等优点。
6、轴孔型式有圆柱形(Y)圆锥型(Z)和短圆柱形(J)。轴孔和键槽按国家标准GB385283《联轴器轴孔和键槽形式及尺寸》的规定加工
7、工作温度20+700℃,扭矩范围40N.m3150N.m,许用转速60001800r/min,尼龙外径42220mm.,轴孔长度16212mm,尼龙套高度30110mm。
8、半联轴器采用精密铸造,铸铁
HT2040,铸钢ZG35II,轴孔和键槽采用拉制成型,内齿形联轴器弹性体外套可根据用户使用要求选用各种硬度的合成橡胶,聚氨酯及增强型尼龙弹性体等材料。
mail:china@gelufu.com
格鲁夫
QQ:47447450
NL型尼龙内齿圈挠性联轴器(DB320287) fax:0312-6784733
NL1
mail:china@gelufu.com
NL型尼龙内齿圈挠性联轴器(DB320287) QQ:47447450
邮箱:china@gelufu.com
NL型尼龙内齿圈挠性联轴器(DB320287)
NL型尼龙内齿圈挠性联轴器(DB320287)
NL型尼龙内齿圈挠性联轴器(DB320287)
NL型尼龙内齿圈挠性联轴器(DB320287)