您好,欢迎进入格鲁夫机械设备制造有限公司官网!
减速机|丝杆升降机|减速电机|行业专用减速机|减速机配件|减速机厂|丝杆升降机厂|转向器厂

联系我们

邮箱:china@gelufu.com
电话:0312-6784766
在线咨询

行星齿轮减速机

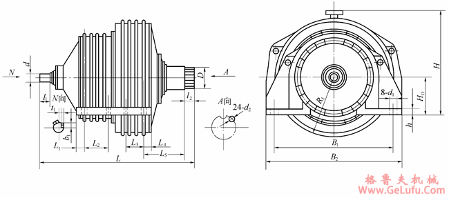
ZJ2240型行星齿轮减速机外形及安装尺寸JB/T7681-95

发布日期:2023-12-28 19:29 浏览次数:

ZJ2240型行星齿轮减速机外形及安装尺寸JB/T7681-95(图1) 格鲁夫配件

ZJ2240型行星齿轮减速机外形及安装尺寸 gelufu

ZJ2240型行星齿轮减速机外形及安装尺寸JB/T7681-95(图2)

WX:grove_company

ZJ2240型行星减速器外形尺寸 (mm)

规格
d1
d
D
L
L1
L2
L3
L4
L5
l1
ZJ2240
90
200
505
3890
160
680
385
160
985
350
规格
l2
B1
B2
H
H0
h
R
b1
t1
d2
质量(kg)
ZJ2240
200
3140
3500
2975
1000
180
1425
60
20
30
57406
邮箱:china@gelufu.com

Copyright © 2023-2025 格鲁夫 版权所有 备案号:冀ICP备19023093号-2

电子营业执照图标 电子营业执照
选择语言
Hello,欢迎来咨询~