格鲁夫
格鲁夫丝杆升降机

|
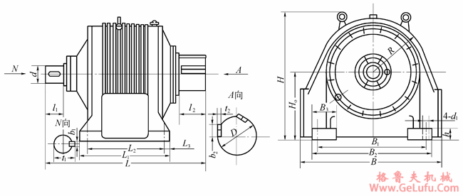
规格 |
d1 |
d |
D |
L |
L1 |
L2 |
L3 |
l1 |
l2 |
B |
B1 |
|
ZJ1250 |
100 |
110 |
360 |
2325 |
1285 |
1065 |
216 |
210 |
450 |
2130 |
1820 |
|
ZJ1360 |
110 |
120 |
380 |
2543 |
1410 |
1110 |
246 |
220 |
550 |
2470 |
2080 |
|
ZJ1550 |
120 |
130 |
420 |
2764 |
1480 |
1180 |
266 |
220 |
650 |
2680 |
2275 |
|
ZJ1750 |
145 |
150 |
480 |
2940 |
1495 |
1195 |
300 |
320 |
350 |
2970 |
2545 |
|
ZJ2120 |
165 |
180 |
530 |
320 |
1745 |
1395 |
300 |
350 |
680 |
3510 |
3030 |
|
规格 |
B2 |
B3 |
H |
H0 |
h |
R |
b1 |
t1 |
b3 |
t2 |
质量(kg) |
|
ZJ1250 |
2024 |
500 |
1730 |
870 |
120 |
830 |
23 |
116 |
108 |
36 |
12110 |
|
ZJ1360 |
2380 |
625 |
2045 |
970 |
135 |
920 |
32 |
127 |
114 |
38 |
15900 |
|
ZJ1550 |
2585 |
660 |
2270 |
1085 |
150 |
1025 |
32 |
137 |
126 |
42 |
20500 |
|
ZJ1750 |
2855 |
720 |
2570 |
1240 |
180 |
1165 |
36 |
158 |
144 |
48 |
25900 |
|
ZJ2120 |
3380 |
760 |
3005 |
1450 |
200 |
1380 |
45 |
190 |
159 |
53 |
36030 |
格鲁夫丝杆升降机