微信:grove_company
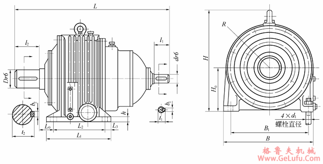
NGW两级减速器外形尺寸 www.gelufu.com.cn
fax:0312-6784733
|
型号
规格 |
公称传
动比i0 |
外形及中心高 |
轴伸 |
地脚尺寸 |
质量
/kg | |||||||||||||||||
|
L |
B |
H |
H0 |
R |
d |
D |
l1 |
l2 |
t1 |
b1 |
t2 |
b2 |
L1 |
L2 |
L3 |
L0 |
B1 |
d1 |
h | |||
|
NGW
42 |
14-22.5 |
687 |
380 |
425.5 |
180 0
-0.5 |
180 |
35 |
80 |
55 |
105 |
28.5 |
10 |
87 |
24 |
290 |
230 |
30 |
72 |
320 |
M24 |
30 |
128 |
|
25-160 |
687 |
30 |
55 |
33 |
8 |
130 | ||||||||||||||||
|
NGW
52 |
14-22.5 |
767 |
420 |
463.5 |
200 0
-0.5 |
200 |
40 |
90 |
70 |
115 |
43.5 |
12 |
97 |
24 |
310 |
250 |
30 |
80.5 |
360 |
M24 |
35 |
244 |
|
25-160 |
752 |
35 |
55 |
38.5 |
10 |
241 | ||||||||||||||||
|
NGW
62 |
14-22.5 |
805.5 |
475 |
524 |
225 0
-0.5 |
225 |
45 |
100 |
70 |
125 |
49 |
14 |
108 |
28 |
360 |
290 |
35 |
67.5 |
405 |
M30 |
40 |
291 |
|
25-160 |
805.5 |
40 |
70 |
43.5 |
12 |
279 | ||||||||||||||||
|
NGW
72 |
14-22.5 |
890 |
535 |
574 |
250 0
-0.5 |
250 |
50 |
110 |
85 |
140 |
55 |
16 |
119 |
32 |
375 |
305 |
35 |
80 |
465 |
M30 |
40 |
350 |
|
25-160 |
875 |
45 |
70 |
49 |
14 |
350 | ||||||||||||||||
|
NGW
82 |
14-22.5 |
976.5 |
590 |
634 |
280 0
-0.5 |
280 |
55 |
120 |
85 |
160 |
60 |
16 |
129 |
32 |
440 |
350 |
45 |
86 |
510 |
M36 |
45 |
488 |
|
25-160 |
976.5 |
50 |
85 |
55 |
16 |
460 | ||||||||||||||||
|
NGW
92 |
14-22.5 |
1040 |
660 |
721 |
315 0
-0.5 |
315 |
60 |
130 |
105 |
165 |
65.5 |
18 |
140 |
36 |
475 |
385 |
45 |
70.5 |
570 |
M36 |
45 |
607 |
|
25-160 |
1020 |
55 |
85 |
60 |
16 |
577 | ||||||||||||||||
|
NGW
102 |
14-22.5 |
1144 |
745 |
800 |
355 0
-0.5 |
355 |
65 |
150 |
105 |
200 |
70.5 |
18 |
161 |
40 |
525 |
425 |
50 |
78 |
645 |
M42 |
50 |
895 |
|
25-160 |
1144 |
60 |
105 |
65.5 |
18 |
895 | ||||||||||||||||
|
NGW
112 |
14-22.5 |
1222 |
840 |
891 |
400 0
-0.5 |
400 |
75 |
170 |
115 |
200 |
81 |
20 |
181 |
40 |
580 |
480 |
50 |
73 |
740 |
M42 |
55 |
1120 |
|
25-160 |
1212 |
65 |
105 |
70.5 |
18 |
1075 | ||||||||||||||||
|
NGW
122 |
14-22.5 |
1385 |
950 |
1013 |
450 0
-0.5 |
455 |
85 |
190 |
125 |
240 |
92 |
24 |
202 |
45 |
680 |
560 |
60 |
73 |
820 |
M48 |
60 |
1733 |
|
25-160 |
1375 |
75 |
115 |
81 |
20 |
1539 | ||||||||||||||||