mail:china@gelufu.com
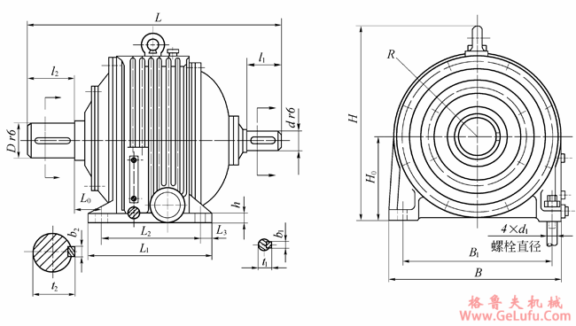
NGW单级减速器外形尺寸
手机:13331225020
传真:0312-6784733
|
型号
规格 |
公称
传动比i0 |
外形及中心高 |
轴伸 |
地脚尺寸 |
质量
kg | |||||||||||||||||
|
L |
B |
H |
H0 |
R |
d |
D |
l1 |
l2 |
t1 |
b1 |
t2 |
b2 |
L1 |
L2 |
L3 |
L0 |
B1 |
d1 |
h | |||
|
NGW
11 |
2.8-4.5 |
530 |
280 |
295 |
125 0
-0.5 |
125 |
35 |
50 |
55 |
85 |
38.5 |
10 |
55 |
16 |
215 |
165 |
25 |
105 |
220 |
M16 |
20 |
53 |
|
5-12.5 |
477 |
30 |
50 |
33 |
8 |
57 |
50 | |||||||||||||||
|
NGW
21 |
2.8-4.5 |
604 |
305 |
325 |
140 0
-0.5 |
140 |
40 |
60 |
70 |
105 |
43.5 |
12 |
65.5 |
18 |
245 |
185 |
30 |
115.5 |
235 |
M20 |
25 |
80 |
|
5-12.5 |
535 |
35 |
55 |
38.5 |
10 |
60.5 |
73 | |||||||||||||||
|
NGW
31 |
2.8-4.5 |
632 |
350 |
365 |
160 0
-0.5 |
160 |
45 |
70 |
70 |
105 |
49 |
14 |
76 |
20 |
260 |
200 |
30 |
125 |
270 |
M20 |
25 |
100 |
|
5-12.5 |
569 |
40 |
70 |
43.5 |
12 |
62 |
98 | |||||||||||||||
|
NGW
41 |
2.8-4.5 |
734 |
380 |
425.5 |
180 0
-0.5 |
180 |
50 |
80 |
85 |
105 |
55 |
16 |
87 |
24 |
290 |
230 |
30 |
156 |
320 |
M24 |
30 |
147 |
|
5-12.5 |
634 |
45 |
70 |
50 |
14 |
72 |
128 | |||||||||||||||
|
NGW
51 |
2.8-4.5 |
845 |
420 |
463.5 |
200 0
-0.5 |
200 |
55 |
90 |
85 |
115 |
60 |
16 |
97 |
24 |
310 |
250 |
30 |
196.5 |
360 |
M24 |
35 |
213 |
|
5-12.5 |
729 |
50 |
85 |
55 |
16 |
80.5 |
193 | |||||||||||||||
|
NGW
61 |
2.8-4.5 |
886 |
475 |
524 |
225 0
-0.5 |
225 |
60 |
100 |
105 |
125 |
65.5 |
18 |
108 |
28 |
360 |
290 |
35 |
202.5 |
405 |
M30 |
40 |
289 |
|
5-12.5 |
731 |
55 |
85 |
60 |
16 |
67.5 |
264 | |||||||||||||||
|
NGW
71 |
2.8-4.5 |
933 |
535 |
574 |
250 0
-0.5 |
250 |
65 |
110 |
105 |
140 |
70.5 |
18 |
119 |
32 |
375 |
305 |
35 |
213 |
465 |
M30 |
40 |
359 |
|
5-12.5 |
800 |
60 |
105 |
65.5 |
18 |
80 |
301 | |||||||||||||||
|
NGW
81 |
2.8-4.5 |
1042 |
590 |
634 |
280 0
-0.5 |
280 |
75 |
120 |
115 |
160 |
81 |
20 |
129 |
32 |
440 |
350 |
45 |
219 |
510 |
M36 |
45 |
449 |
|
5-12.5 |
899 |
65 |
105 |
70.5 |
18 |
86 |
399 | |||||||||||||||
|
NGW
91 |
2.8-4.5 |
1141 |
660 |
721 |
315 0
-0.5 |
315 |
85 |
130 |
125 |
165 |
92 |
24 |
140 |
36 |
475 |
385 |
45 |
225.5 |
570 |
M36 |
45 |
604 |
|
5-12.5 |
976 |
75 |
115 |
81 |
20 |
70.5 |
542 | |||||||||||||||
|
NGW
101 |
2.8-4.5 |
1261 |
745 |
800 |
355 0
-0.5 |
355 |
95 |
150 |
140 |
200 |
103 |
28 |
161 |
40 |
525 |
425 |
50 |
251 |
645 |
M42 |
50 |
810 |
|
5-12.5 |
1073 |
85 |
125 |
92 |
24 |
78 |
732 | |||||||||||||||
|
NGW
111 |
2.8-4.5 |
1355 |
840 |
891 |
400 0
-0.5 |
400 |
105 |
170 |
160 |
200 |
113 |
28 |
181 |
40 |
580 |
480 |
50 |
263 |
740 |
M42 |
55 |
1060 |
|
5-12.5 |
1145 |
95 |
140 |
103 |
28 |
73 |
990 | |||||||||||||||
|
NGW
121 |
2.8-4.5 |
1500 |
950 |
1013 |
450 0
-0.5 |
455 |
115 |
190 |
160 |
240 |
124 |
32 |
202 |
45 |
680 |
560 |
60 |
288 |
820 |
M48 |
60 |
1638 |
|
5-12.5 |
1286 |
105 |
160 |
113 |
28 |
73 |
1475 | |||||||||||||||