您好,欢迎进入格鲁夫机械设备制造有限公司官网!
减速机|丝杆升降机|减速电机|行业专用减速机|减速机配件|减速机厂|丝杆升降机厂|转向器厂

联系我们

邮箱:china@gelufu.com
电话:0312-6784766
在线咨询

蜗轮减速机

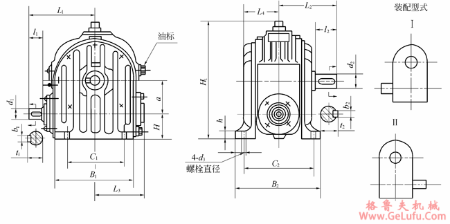
CWU63、CWU80、CWU100型减速机外形和安装尺寸GB9147―88

发布日期:2023-12-28 18:29 浏览次数:

CWU系列减速机型号与标准概述

CWU63、CWU80、CWU100型减速机外形和安装尺寸GB9147―88 (图1)减速机外形和安装尺寸GB9147―88 "> 格鲁夫减速机

CWU系列减速机属于CW型两级齿轮-圆弧齿圆柱蜗杆减速机,是一种应用广泛的蜗轮蜗杆减速机。该系列遵循国家标准GB9147-88,对CWU63、CWU80、CWU100等型号的外形与安装尺寸进行了统一规范,确保了产品的互换性和安装的标准化。这类减速机以其结构紧凑、传动比大、运行平稳等特点,常用于冶金、矿山、起重运输等行业的机械传动系统中。

格鲁夫配件

CWU63CWU100型减速器外形和安装尺寸

Tel:0312-6784766

型号中的数字(如63、80、100)通常代表该减速机的中心距,是关键的规格参数,直接影响其承载能力和外形大小。GB9147-88标准详细规定了这些型号的箱体尺寸、输入输出轴的位置与尺寸、地脚螺栓孔的中心距及孔径等关键安装数据。设计人员和安装工程师必须严格参照此标准进行选型与安装布置,以确保减速机与驱动电机、工作机之间的正确对接,避免因尺寸不符导致的安装困难或传动故障。 格鲁夫机械

CWU63、CWU80、CWU100型减速机外形和安装尺寸GB9147―88 (图2)

格鲁夫

上图清晰地展示了CW系列圆弧圆柱蜗杆减速机的典型结构。其核心传动部分采用两级传动:级为齿轮传动,第二级为圆弧齿圆柱蜗杆传动。这种组合充分发挥了齿轮传动效率较高和蜗杆传动单级速比大、自锁性好的双重优势。圆弧齿形相较于普通圆柱蜗杆,改善了齿面间的润滑条件,有助于提高承载能力和传动效率,延长使用寿命。 格鲁夫配件

www.gelufu.com.cn

在实际应用中,例如在一条皮带输送机的驱动装置中,选用CWU80型减速机,其标准的安装尺寸使得它可以便捷地通过地脚螺栓固定在机架上,输入轴通过联轴器与电机连接,输出轴通过链轮或直接与驱动滚筒连接。严格遵守GB9147-88标准中提供的尺寸表,是保证这次安装顺利进行的基础。因此,这份关于CWU63、CWU80、CWU100型减速机外形和安装尺寸的标准,不仅是产品制造的依据,更是设备设计、安装和维护工作中不可或缺的重要技术文件。 格鲁夫配件

Copyright © 2023-2025 格鲁夫 版权所有 备案号:冀ICP备19023093号-2

电子营业执照图标 电子营业执照