电话:0312-6784766

|
型号 |
安装规格 |
公称传动比i | |||||||||||||
|
法兰型号 |
N |
M |
P |
7.5 |
10 |
15 |
20 |
25 |
30 |
40 |
50 |
60 |
80 |
100 | |
|
D | |||||||||||||||
|
25 |
56B14 |
50 |
65 |
80 |
9 |
9 |
9 |
9 |
- |
9 |
9 |
9 |
9 |
- |
- |
|
30 |
63B5
63B14
56B14 |
95
60
50 |
115
75
65 |
140
90
80 |
11
11
9 |
11
11
9 |
11
11
9 |
11
11
9 |
11
11
9 |
11
11
9 |
11
11
9 |
11
11
9 |
-
-
9 |
-
-
9 |
-
-
- |
|
40 |
71B5
63B5 |
110
95 |
130
115 |
160
140 |
14
11 |
14
11 |
14
11 |
14
11 |
14
11 |
14
11 |
14
11 |
14
11 |
-
11 |
-
11 |
11 |
|
50 |
80B5
71B5
63B5 |
130
110
95 |
165
130
115 |
200
160
140 |
19
14
- |
19
14
- |
19
14
- |
19
14
- |
19
14
- |
19
14
- |
19
14
11 |
19
14
11 |
-
14
11 |
-
14
11 |
-
-
11 |
|
63 |
90B35
80B5
71B5 |
130
130
110 |
165
165
130 |
200
200
160 |
24
19
- |
24
19
- |
24
19
- |
24
19
- |
24
19
- |
24
19
- |
24
19
14 |
24
19
14 |
-
19
14 |
-
-
14 |
-
-
14 |
|
75 |
100/112B35
90B35
80B5 |
180
130
130 |
215
165
165 |
250
200
200 |
28
24
- |
28
24
- |
28
24
- |
28
24
- |
-
24
- |
28
24
- |
-
24
19 |
-
24
19 |
-
24
19 |
-
-
19 |
-
-
19 |
|
90 |
100/112B35
90B35
80B5 |
180
130
130 |
215
165
165 |
250
200
200 |
28
24
- |
28
24
- |
28
24
- |
28
24
- |
28
24
- |
28
24
- |
28
24
19 |
28
24
19 |
-
24
19 |
-
24
19 |
-
-
19 |
|
110 |
132B35
100/112B35
90B35 |
230
180
130 |
265
215
165 |
300
250
200 |
38
28
- |
38
28
- |
38
28
- |
38
28
- |
38
28
24 |
-
28
24 |
-
28
24 |
-
28
24 |
-
28
24 |
-
-
24 |
-
-
24 |
|
130 |
132B35
100/112B35
90B35 |
230
180
130 |
265
215
165 |
300
250
200 |
38
-
- |
38
-
- |
38
-
- |
38
-
- |
38
28
- |
38
28
- |
38
28
24 |
38
28
24 |
-
28
24 |
-
28
24 |
-
28
24 |
|
150 |
160B35
132B/35
100112B35 |
250
230
180 |
300
265
215 |
350
300
250 |
42
38
28 |
42
38
28 |
42
38
28 |
42
38
28 |
-
38
28 |
-
38
28 |
-
38
28 |
-
38
28 |
-
-
28 |
-
-
28 |
-
-
28 |
|
185 |
180B35
160B35
132B35
100/112B35 |
250
250
230
180 |
300
300
265
215 |
350
350
300
250 |
48
42
38
28 |
48
42
38
28 |
48
42
38
28 |
48
42
38
28 |
-
42
38
28 |
-
42
38
28 |
-
42
38
28 |
-
42
38
28 |
-
-
38
28 |
-
-
38
28 |
-
-
38
28 |


|
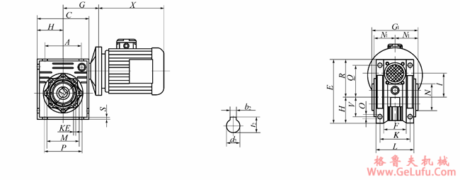
型号 |
尺 寸 | ||||||||||||||||||
|
A |
C |
D(H7) |
E |
F |
G |
H |
I |
L |
M |
N(h8) |
O |
P |
Q |
R |
S |
T |
V |
K | |
|
30 |
54 |
80 |
14 |
97 |
32 |
55 |
40 |
30 |
56 |
65 |
54 |
6.5 |
75 |
44 |
57 |
5.5 |
20 |
27 |
44 |
|
40 |
70 |
101 |
18 |
121.5 |
43 |
70 |
50 |
40 |
71 |
75 |
60 |
6.5 |
87 |
55 |
71.5 |
6.5 |
23 |
35 |
60 |
|
50 |
80 |
121.5 |
25 |
145 |
49 |
80 |
60 |
50 |
85 |
85 |
70 |
8.5 |
100 |
64 |
84 |
7 |
30 |
40 |
70 |
|
63 |
100 |
147.5 |
25 |
174 |
67 |
95 |
72 |
63 |
103 |
95 |
80 |
8.5 |
110 |
80 |
102 |
8 |
40 |
50 |
85 |
|
75 |
120 |
174 |
28 |
205 |
72 |
112.5 |
86 |
75 |
113 |
115 |
95 |
11 |
140 |
93 |
119 |
10 |
50 |
60 |
90 |
|
90 |
140 |
208 |
35 |
238 |
72 |
130 |
103 |
90 |
130 |
130 |
110 |
13 |
160 |
102 |
135 |
11 |
50 |
70 |
100 |
|
110 |
170 |
252.5 |
42 |
294 |
|
160 |
127.5 |
110 |
142 |
165 |
130 |
14 |
200 |
125 |
167.5 |
15 |
60 |
85 |
115 |
|
130 |
200 |
292.5 |
45 |
335 |
79 |
180 |
147.5 |
130 |
155 |
215 |
180 |
16 |
250 |
140 |
187.5 |
15 |
80 |
100 |
120 |
|
150 |
240 |
340 |
50 |
400 |
|
210 |
170 |
150 |
185 |
215 |
180 |
18 |
250 |
180 |
230 |
18 |
80 |
120 |
145 |
|
185 |
310 |
412 |
60 |
472 |
|
248 |
207 |
185 |
220 |
265 |
230 |
22 |
300 |
213 |
265 |
25 |
80 |
155 |
175 |
|
型号 |
尺 寸 | ||||||||||||||||
|
G1 |
G2 |
N1 |
KA |
KB |
KC |
KE |
α |
KM |
KN(H8) |
KO |
KP |
KQ |
d(j6) |
b |
t1 |
X Y | |
|
30 |
63 |
51 |
29 |
54.5 |
6 |
4 |
M6×11(n4) |
0º |
68 |
50 |
6.5(4/90º) |
80 |
70 |
9 |
5 |
16.3 |
见
电
动
机
外
形
尺
寸
一
览表 |
|
40 |
78 |
60 |
36.5 |
67 |
7 |
4 |
M6×8(n4) |
45º |
87 |
60 |
9(4/90º) |
110 |
95 |
11 |
6 |
20.8 | |
|
50 |
92 |
74 |
42.5 |
90 |
9 |
5 |
M8×10(n4) |
45º |
90 |
70 |
11(4/90º) |
125 |
110 |
14 |
8 |
28.3 | |
|
63 |
112 |
90 |
53 |
82 |
10 |
6 |
M8×14(n8) |
45º |
150 |
115 |
11(4/90º) |
180 |
142 |
19 |
8 |
28.3 | |
|
75 |
120 |
105 |
57 |
111 |
13 |
6 |
M8×14(n8) |
45º |
165 |
130 |
14(4/90º) |
200 |
170 |
24 |
8 |
31.3 | |
|
90 |
140 |
125 |
67 |
111 |
13 |
6 |
M10×18(n8) |
45º |
175 |
152 |
14(4/90º) |
210 |
200 |
24 |
10 |
38.3 | |
|
110 |
155 |
142 |
74 |
139 |
15 |
6 |
M10×18(n8) |
45º |
220 |
170 |
14(8/90º) |
270 |
250 |
28 |
12 |
45.3 | |
|
130 |
170 |
162 |
81 |
151.5 |
15 |
6 |
M12×20(n8) |
45º |
255 |
180 |
16(8/45º) |
320 |
290 |
30 |
14 |
48.8 | |
|
150 |
200 |
210 |
96 |
155 |
15 |
7 |
M12×21(n8) |
45º |
255 |
180 |
16(8/45º) |
320 |
290 |
35 |
14 |
53.8 | |
|
185 |
240 |
240 |
116 |
190 |
22 |
7 |
M16×25(n8) |
45º |
350 |
280 |
22(8/45º) |
400 |
390 |
40 |
18 |
64.4 | |