减速机输出法兰安装尺寸">
格鲁夫丝杆升降机

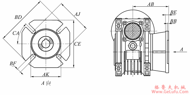
JRST系列多置式蜗杆减速机作为一种结构紧凑、传动平稳的精密传动设备,其输出法兰的安装尺寸是设备与工作机实现可靠连接的关键机械接口。准确理解和应用这些尺寸参数,对于确保整个传动系统的同轴度、减少振动以及延长设备使用寿命至关重要。本系列减速机输出法兰通常采用标准化的止口定位与螺栓孔分布设计,便于用户进行快速、精准的安装与对中。 www.gelufu.com.cn
|
|
025 |
030 |
040 |
050 |
063 |
075 |
090 |
110 |
130 |
150 |
|
AB |
45 |
54.5 |
67 |
90 |
82 |
102 |
111 |
131 |
140 |
155 |
|
AJ |
55 |
68 |
80 |
85 |
150 |
165 |
175 |
230 |
255 |
255 |
|
AK |
40 |
50 |
60 |
70 |
115 |
130 |
152 |
170 |
180 |
180 |
|
BB |
3上表详细列出了从025到150共十一个中心距型号的JRST系列蜗轮蜗杆减速机输出法兰关键尺寸。其中,尺寸“AB”通常代表输出法兰的止口直径,用于精确定位;“AJ”一般指螺栓孔分布圆直径,决定了连接螺栓的安装位置;“AK”可能表示法兰外径或另一个关键定位尺寸。用户在安装前,务必根据所选型号对照此表,并参考完整的安装图纸,核对所有尺寸,包括螺栓规格、数量及孔深等未在简表中列出的信息。正确的安装能充分发挥这种多置式蜗杆减速机传动比大、自锁性好的优势,广泛应用于包装机械、食品加工、自动化流水线等需要空间交错轴传动的场合。 fax:0312-6784733
查看更多 >>
选择语言
|