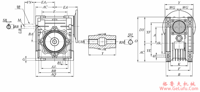
减速机安装尺寸"> 微信:grove_company
|
|
025 |
030 |
040 |
050 |
063 |
075 |
090 |
110 |
130 |
150 |
|
A |
25 |
30 |
40 |
50 |
63 |
75 |
90 |
110 |
130 |
150 |
|
AC |
35 |
40 |
50 |
60 |
72 |
86 |
103 |
127.5 |
147.5 |
170 |
|
AJ1 |
55 |
65 |
75 |
85 |
95 |
115 |
130 |
165 |
215 |
215 |
|
AK1 |
45 |
55 |
60 |
70 |
80 |
95 |
110 |
130 |
180 |
180 |
|
AQ |
70 |
80 |
100 |
120 |
144 |
172 |
206 |
252 |
292 |
340 |
|
B |
42 |
56 |
71 |
85 |
103 |
112 |
130 |
144 |
155 |
185 |
|
BA |
10° |
0° |
45° |
45° |
45° |
45° |
45° |
45° |
45° |
45° |
|
BR |
65 |
75 |
87 |
100 |
110 |
140 |
160 |
200 |
250 |
250 |
|
BU |
ф6.5
(n.3) |
M6×11
(n.4) |
M6×8
(n.4) |
M8×10
(n.4) |
M8×14
(n.8) |
M8×14
(n.8) |
M10×18
(n.8) |
M10×18
(n.8) |
M12×21
(n.8) |
M12×21
(n.8) |
|
DY |
48 |
57 |
71 |
84 |
102 |
119 |
135 |
167.5 |
187.5 |
230 |
|
E |
45 |
54 |
70 |
80 |
100 |
120 |
140 |
170 |
200 |
240 |
|
EA |
45 |
63 |
71 |
80 |
95 |
112.5 |
130 |
160 |
180 |
210 |
|
EA2 |
- |
45 |
53 |
64 |
75 |
90 |
108 |
135 |
155 |
175 |
|
F |
34 |
44 |
60 |
70 |
85 |
90 |
100 |
115 |
120 |
145 |
|
G |
5 |
5.5 |
6.5 |
7 |
8 |
10 |
11 |
15 |
15 |
18 |
|
H |
6 |
6.5 |
7 |
8.5 |
8.5 |
11 |
13 |
14 |
16 |
18 |
|
K |
22 |
32 |
43 |
49 |
67 |
72 |
74 |
- |
- |
- |
|
M1 |
- |
- |
- |
M6 |
M6 |
M8 |
M8 |
M10 |
M10 |
M12 |
|
O |
83 |
97 |
121 |
144 |
174 |
205 |
238 |
295 |
335 |
400 |
|
RB |
- |
10.2 |
12.5 |
16 |
21.5 |
27 |
27 |
31 |
33 |
38 |
|
RH |
12.8 |
16.3 |
20.8 |
28.3 |
28.3 |
31.3 |
38.3 |
45.3 |
48.8 |
53.8 |
|
SB |
- |
3 |
4 |
5 |
6 |
8 |
8 |
8 |
8 |
10 |
|
SH |
4 |
5 |
6 |
8 |
8 |
8 |
10 |
12 |
14 |
14 |
|
UB |
- |
9 |
11 |
14 |
19 |
24 |
24 |
28 |
30 |
35 |
|
UH |
11 |
14 |
18 |
25 |
25 |
28 |
35 |
42 |
45 |
50 |
|
VN |
- |
20 |
23 |
30 |
40 |
50 |
50 |
60 |
80 |
80 |
|
WG |
22.5 |
29 |
36.5 |
43.5 |
53 |
57 |
67 |
74 |
81 |
96 |
|
Y |
50 |
63 |
78 |
92 |
112 |
120 |
140 |
155 |
170 |
200 |
|
YE |
22 |
27 |
35 |
40 |
50 |
60 |
70 |
85 |
100 |
120 |
|
YF |
35.5 |
44 |
55 |
64 |
80 |
93 |
102 |
125 |
140 |
180 |
|
重量(kg) |
0.7 |
1.3 |
2.3 |
3.5 |
6.2 |
9 |
13 |
35 |
48 |
84 |