您好,欢迎进入格鲁夫机械设备制造有限公司官网!
减速机|丝杆升降机|减速电机|行业专用减速机|减速机配件|减速机厂|丝杆升降机厂|转向器厂

联系我们

邮箱:china@gelufu.com
电话:0312-6784766
在线咨询

蜗轮减速机

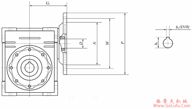
WWJ系列蜗杆减速机输出法兰及轴芯安装尺寸

发布日期:2023-12-28 18:28 浏览次数:

WWJ系列蜗杆减速机输出法兰及轴芯安装尺寸(图1)减速机输出法兰及轴芯安装尺寸">

格鲁夫

输出法兰及轴芯安装尺寸

WWJ系列蜗杆减速机输出法兰及轴芯安装尺寸图解

WWJ系列蜗杆<a减速器输出法兰及轴芯安装尺寸 hspace=0 src="/uploads/allimg/20231228/1-23122QRS5407.gif" width=650 border=0 alt="WWJ系列蜗杆减速机输出法兰及轴芯安装尺寸">
型号
法兰规格
P
M
N
5
7.5
10
15
20
25
30
40
50
60
80
100
G1
b1
h1
轴芯尺寸―D(F6)
025
56B14
80
65
50
9
9
9
9
9
-
9
9
9
9
-
-
45
3
10.4
030
63B5
63B14
56B14
140
90
80
115
75
65
95
60
50
11
11
-
11
11
-
11
11
-
11
11
-
11
11
-
11
11
-
11
11
-
11
11
-
11
11
-
-
-
9
-
-
9
-
-
-
58
4
3
12.8
12.8
10.4
040
71B5
63B5
160
140
130
115
110
95
14
-
14
-
14
-
14
-
14
-
14
-
14
-
14
-
14
-
-
11
-
11
-
11
70
72
5
4
16.3
12.8
050
80B5
71B5
63B5
200
160
140
165
130
115
130
110
95
19
-
-
19
-
-
19
-
-
19
-
-
19
-
-
19
-
-
19
-
-
19
-
-
-
14
-
-
14
-
-
14
-
-
-
11
88
80
82
6
5
4
20.8
16.3
12.8
063
90B35
80B5
71B5
200
200
160
165
165
130
130
130
110
24
-
-
24
-
-
24
-
-
24
-
-
24
-
-
24
-
-
24
-
-
24
-
-
-
19
-
-
19
-
-
-
14
-
-
14
102
102
96
8
6
5
26.3
21.8
16.3
075
100/112B35
90B35
80B5
250
200
200
215
165
165
180
130
130
28
-
-
28
-
-
28
-
-
28
-
-
28
-
-
-
24
-
28
-
-
-
24
-
-
24
-
-
24
-
-
-
19
-
-
19
123
115
115
8
8
6
30.3
27.3
21.8
090
100/112B35
90B35
80B5
250
200
200
215
165
165
180
130
130
28
-
-
28
-
-
28
-
-
28
-
-
28
-
-
28
-
-
28
-
-
28
-
-
28
-
-
-
24
-
-
24
-
-
-
19
139
132
132
8
8
6
30.3
27.3
21.8
110
132B2
100/112B35
90B35
300
250
200
265
215
165
230
180
130
38
-
-
38
-
-
38
-
-
38
-
-
38
-
-
38
-
-
-
28
-
-
28
-
-
28
-
-
28
-
-
-
24
-
-
24
160
10
8
8
40.8
31.3
27.3
130
132B2
100/112B35
90B35
300
250
200
265
215
165
230
180
130
38
-
-
38
-
-
38
-
-
38
-
-
38
-
-
38
-
-
38
-
-
38
-
-
38
-
-
-
28
-
-
28
24
-
28
24
180
10
8
8
40.8
31.3
27.3

Copyright © 2023-2025 格鲁夫 版权所有 备案号:冀ICP备19023093号-2

电子营业执照图标 电子营业执照
选择语言
Hello,欢迎来咨询~