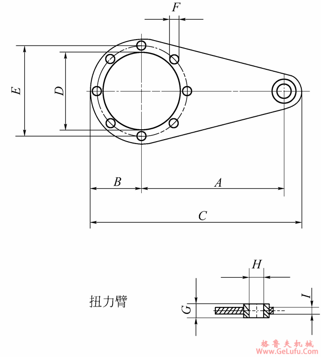
WWJ系列蜗杆减速机扭力臂尺寸
发布日期:2023-12-28 18:28
浏览次数:
WWJ系列蜗杆减速机扭力臂尺寸图解
减速机扭力臂尺寸"> 格鲁夫
扭力臂尺寸

减速机扭力臂尺寸">
|
型号 |
A |
B |
C |
D |
E |
F |
G |
H |
I |
|
025 |
70 |
33 |
118 |
45 |
55 |
7 |
14 |
8 |
4 |
|
030 |
85 |
38 |
138 |
55 |
65 |
7 |
14 |
8 |
4 |
|
040 |
85 |
48.5 |
151.5 |
60 |
75 |
6.5 |
14 |
10 |
4 |
|
050 |
100 |
50 |
168 |
70 |
85 |
9 |
上表详细列出了WWJ系列蜗杆减速机几种常见型号的扭力臂关键尺寸。对于工程设计人员和设备维护人员而言,准确理解和应用这些尺寸数据至关重要。扭力臂,作为蜗轮蜗杆减速机中不可或缺的辅助支撑部件,其主要功能是抵消减速机输出轴在传递扭矩时产生的反作用力,防止整个减速机壳体发生旋转或位移,从而确保传动系统稳定、可靠、长久地运行。
WX:grove_company
在选型和安装WWJ系列蜗杆减速器时,必须严格参照对应型号的扭力臂尺寸。例如,尺寸“A”和“C”决定了扭力臂的纵向安装空间,而“D”、“E”则关系到固定螺栓孔的分布位置。尺寸“F”(螺栓孔径)和“I”(厚度)直接关联到连接件的强度。若尺寸选择或安装不当,轻则导致设备运行振动加剧、噪音增大,重则可能引起固定点断裂,造成设备损坏甚至安全事故。因此,在自动化流水线、搅拌设备、提升机械等应用场景中,精确的扭力臂安装是保障WWJ系列蜗轮蜗杆减速机发挥性能的基础。 mail:china@gelufu.com
除了表格中的基本尺寸,在实际应用中还需注意以下几点:首先,扭力臂的材质通常与减速机壳体相匹配,确保具有足够的刚性和抗疲劳强度。其次,安装时应保证扭力臂与减速机连接面、以及扭力臂与设备基础固定面之间的贴合紧密,必要时需使用垫片进行调整。最后,定期检查扭力臂的连接螺栓是否松动,是设备预防性维护的重要环节。正确使用和维护扭力臂,能极大提升整个传动装置的使用寿命和稳定性,充分发挥WWJ系列蜗杆减速机结构紧凑、传动比大、自锁性好的核心优势。 格鲁夫丝杆升降机