gelufu
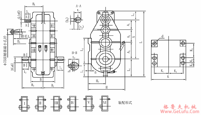
ZSC减速机外形及安装尺寸
Mobile:13331225020
QQ:47447450
|
型号 |
中心距 |
中心高
H0 |
轮廓尺寸 |
轴端尺寸 | ||||||||||||||
|
A |
A 1 |
A 2 |
A 3 |
L |
B |
H |
高速轴 |
低速轴 | ||||||||||
|
d1 |
l 1 |
B1 |
b 1 |
t 1 |
D |
l 2 |
B2 |
b 2 |
t 2 | |||||||||
|
ZSC350 |
350 |
87 |
123 |
140 |
130 |
600 |
180 |
282 |
22 |
50 |
145 |
6
-0.036 |
24.2 |
45 |
70 |
170 |
14
-0.043 |
48.2 |
|
ZSC400 |
400 |
90 |
140 |
170 |
150 |
670 |
210 |
330 |
30 |
55 |
170 |
8
-0.036 |
33 |
65 |
85 |
205 |
18
0
0.043 |
70.5 |
|
ZSC600 |
600 |
150 |
200 |
250 |
235 |
965 |
312 |
481 |
35 |
55 |
220 |
10
-0.063 |
38.6 |
80 |
115 |
290 |
24
0
0.052 |
87 |
|
ZSC750 |
750 |
200 |
250 |
300 |
335 |
1220 |
374 |
653 |
50锥度
1:10 |
锥长
85 |
342 |
16
-0.043 |
28 |
95 |
145 |
350 |
28
0
0.025 |
100.7 |
传真:0312-6784733
|
型号 |
L1 |
L2 |
L3 |
L4 |
K |
g |
K1 |
K2 |
K3 |
K4 |
孔数d |
孔数n |
重量 |
|
ZSC350 |
110 |
290 |
155 |
98 |
195 |
25 |
77.5 |
135 |
― |
220 |
21 |
4 |
76 |
|
ZSC400 |
100 |
340 |
170 |
100 |
230 |
25 |
95 |
25 |
― |
280 |
21 |
4 |
165 |
|
ZSC600 |
165 |
410 |
250 |
115 |
340 |
30 |
140 |
30 |
120 |
230 |
21 |
6 |
329 |
|
ZSC750 |
210 |
580 |
350 |
120 |
400 |
35 |
165 |
40 |
120 |
380 |
25 |
6 |
452 |