您好,欢迎进入格鲁夫机械设备制造有限公司官网!
减速机|丝杆升降机|减速电机|行业专用减速机|减速机配件|减速机厂|丝杆升降机厂|转向器厂

联系我们

邮箱:china@gelufu.com
电话:0312-6784766
在线咨询

蜗轮减速机

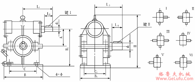
WSJ80、WSJ100、WSJ120、WSJ180外形尺寸、安装尺寸及装配型式

发布日期:2023-12-28 18:27 浏览次数:

WSJ80、WSJ100、WSJ120、WSJ180外形尺寸、安装尺寸及装配型式(图1)

www.gelufu.com.cn

WSJ外形尺寸、安装尺寸及装配型式

传真:0312-6784733

WSJ80、WSJ100、WSJ120、WSJ180外形尺寸、安装尺寸及装配型式(图2)

电话:0312-6784766

型号
A
H1
H
B
B1
C
C1
4--Φ
L1
L2
L3
L4
d1
键I
d2
键II
WSJ80
80
200
275
210
160
145
115
4―Φ13
181
50
152
50
Φ22
6×40
Φ30
8×42
WSJ100
100
240
330
250
180
180
140
4―Φ18
191
50
176
65
Φ30
8×42
Φ40
12×55
WSJ120
120
270
360
275
200
200
150
4―Φ18
218
56
187
78
Φ30
8×50
Φ45
14×70
WSJ180
180
370
520
420
320
300
260
4―Φ24
298
78
261
98
Φ45
14×68
Φ60
18×90
格鲁夫机械

Copyright © 2023-2025 格鲁夫 版权所有 备案号:冀ICP备19023093号-2

电子营业执照图标 电子营业执照
选择语言
Hello,欢迎来咨询~