Mobile:13331225020


|
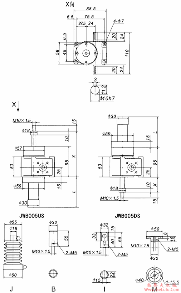
行程(mm) |
US |
DS |
m(kg) | ||||||||
|
X |
X⑴ |
L |
X |
X⑴ |
L | ||||||
|
MIN |
MAX |
MIN |
MAX |
MIN |
MAX |
MIN |
MAX | ||||
|
100 |
115 |
215 |
160 |
260 |
188 |
20 |
120 |
65 |
165 |
188 |
3.0 |
|
200 |
115 |
315 |
160 |
360 |
288 |
20 |
220 |
65 |
265 |
288 |
3.2 |
|
300 |
115 |
415 |
200 |
500 |
428 |
20 |
320 |
105 |
405 |
428 |
3.4 |
|
400 |
115 |
515 |
200 |
600 |
528 |
20 |
420 |
105 |
505 |
528 |
3.6 |
|
500 |
115 |
615 |
235 |
735 |
663 |
20 |
520 |
140 |
640 |
663 |
3.8 |
|
600 |
115 |
715 |
235 |
835 |
763 |
20 |
620 |
140 |
740 |
763 |
4.0 |
|
800 |
115 |
915 |
270 |
1070 |
998 |
20 |
820 |
175 |
975 |
998 |
4.3 |
|
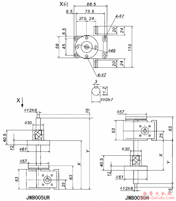
行程(mm) |
UR | |||
|
X |
Y |
m(kg) | ||
|
MIN |
MAX | |||
|
100 |
84 |
184 |
224 |
2.7 |
|
200 |
84 |
284 |
324 |
2.8 |
|
300 |
84 |
384 |
424 |
2.9 |
|
400 |
84 |
484 |
524 |
3.1 |
|
500 |
84 |
584 |
624 |
3.2 |
|
600 |
84 |
684 |
724 |
3.3 |
|
800 |
84 |
884 |
924 |
3.6 |
|
行程(mm) |
DR | |||
|
X |
Y |
m(kg) | ||
|
MIN |
MAX | |||
|
100 |
51 |
151 |
162 |
2.7 |
|
200 |
51 |
251 |
262 |
2.8 |
|
300 |
51 |
351 |
362 |
2.9 |
|
400 |
51 |
451 |
462 |
3.1 |
|
500 |
51 |
551 |
562 |
3.2 |
|
600 |
51 |
651 |
662 |
3.3 |
|
800 |
51 |
851 |
862 |
3.6 |