格鲁夫配件


|
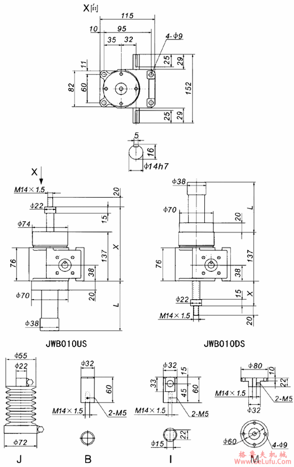
行程(mm) |
US |
DS |
m(kg) | ||||||||
|
X |
X⑴ |
L |
X |
X⑴ |
L | ||||||
|
MIN |
MAX |
MIN |
MAX |
MIN |
MAX |
MIN |
MAX | ||||
|
100 |
162 |
262 |
212 |
312 |
194 |
25 |
125 |
75 |
175 |
194 |
6.7 |
|
200 |
162 |
362 |
212 |
412 |
294 |
25 |
225 |
75 |
275 |
294 |
7.0 |
|
300 |
162 |
462 |
252 |
552 |
434 |
25 |
325 |
115 |
415 |
434 |
7.4 |
|
400 |
162 |
562 |
252 |
652 |
534 |
25 |
425 |
115 |
515 |
534 |
7.6 |
|
500 |
162 |
662 |
287 |
787 |
669 |
25 |
525 |
150 |
650 |
669 |
8.0 |
|
600 |
162 |
762 |
287 |
887 |
769 |
25 |
625 |
150 |
750 |
769 |
8.2 |
|
800 |
162 |
962 |
322 |
1122 |
1004 |
25 |
825 |
185 |
985 |
1004 |
8.9 |
|
1000 |
162 |
1162 |
352 |
1352 |
1234 |
25 |
1025 |
215 |
1215 |
1234 |
9.5 |
|
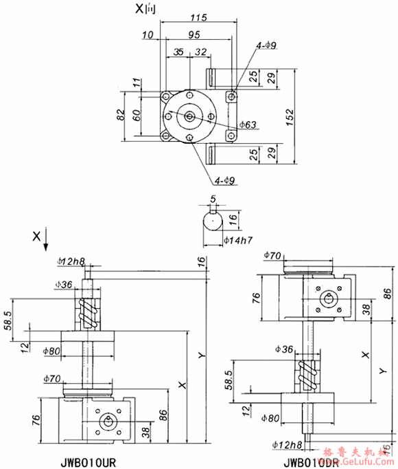
行程(mm) |
UR | |||
|
X |
Y |
m(kg) | ||
|
MIN |
MAX | |||
|
100 |
108 |
208 |
265 |
5.9 |
|
200 |
108 |
308 |
365 |
6.1 |
|
300 |
108 |
408 |
465 |
6.4 |
|
400 |
108 |
508 |
565 |
6.6 |
|
500 |
108 |
608 |
665 |
6.8 |
|
600 |
108 |
708 |
765 |
7.0 |
|
800 |
108 |
908 |
965 |
7.4 |
|
1000 |
108 |
1108 |
1165 |
7.9 |
|
行程(mm) |
DR | |||
|
X |
Y |
m(kg) | ||
|
MIN |
MAX | |||
|
100 |
69 |
169 |
179 |
5.9 |
|
200 |
69 |
269 |
279 |
6.1 |
|
300 |
69 |
369 |
379 |
6.4 |
|
400 |
69 |
469 |
479 |
6.6 |
|
500 |
69 |
569 |
579 |
6.8 |
|
600 |
69 |
669 |
679 |
7.0 |
|
800 |
69 |
869 |
879 |
7.4 |
|
1000 |
69 |
1069 |
1079 |
7.9 |