gelufu.com.cn
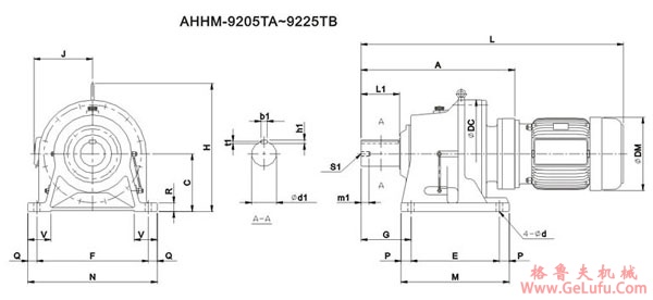
ADC系列摆线减速机尺寸图表AHHM-9205TA~9225TB Tel:0312-6784766
gelufu
|
AHHM-9205TA~9225TB尺寸图表 | ||||||||||||||||||||
|
AHHM |
A |
C |
DC |
E |
F |
G |
M |
N |
P |
Q |
R |
V |
d |
输出轴尺寸 | ||||||
|
d1 |
L1 |
b1 |
h1 |
t1 |
S1 |
m1 | ||||||||||||||
|
9205TA |
597 |
250 |
448 |
360 |
440 |
215 |
442 |
532 |
41 |
46 |
36 |
100 |
26 |
100 |
165 |
28 |
16 |
10 |
M20 |
34 |
|
9205TB |
624 |
250 |
448 |
360 |
440 |
215 |
442 |
532 |
41 |
46 |
36 |
100 |
26 |
100 |
165 |
28 |
16 |
10 |
M20 |
34 |
|
9215TA |
650 |
265 |
485 |
395 |
480 |
210 |
477 |
582 |
41 |
51 |
40 |
110 |
26 |
110 |
165 |
28 |
16 |
10 |
M20 |
34 |
|
9215TB |
675 |
265 |
485 |
395 |
480 |
210 |
477 |
582 |
41 |
51 |
40 |
110 |
26 |
110 |
165 |
28 |
16 |
10 |
M20 |
34 |
|
9225TA |
692 |
280 |
526 |
420 |
540 |
230 |
522 |
622 |
51 |
41 |
40 |
115 |
33 |
120 |
165 |
32 |
18 |
11 |
M20 |
34 |
|
9225TB |
735 |
280 |
526 |
420 |
540 |
230 |
522 |
622 |
51 |
41 |
40 |
115 |
33 |
120 |
165 |
32 |
18 |
11 |
M20 |
34 |
|
型号 |
电机 |
L |
J |
DM |
H |
W(KG) | ||
|
KW |
HP |
极数 | ||||||
|
AHHM05-9205TA-Ratio |
0.4 |
1/2 |
4 |
838 |
133 |
162 |
530 |
270 |
|
AHHM1-9205TA-Ratio |
0.75 |
1 |
4 |
846 |
138 |
177 |
530 |
278 |
|
AHHM2-9205TA-Ratio |
1.5 |
2 |
4 |
883 |
150 |
200 |
530 |
285 |
|
AHHM3-9205TA-Ratio |
2.2 |
3 |
4 |
909 |
174 |
219 |
530 |
290 |
|
AHHM5-9205TA-Ratio |
3.7 |
5 |
4 |
925 |
188 |
238 |
530 |
298 |
|
AHHM1-9205TB-Ratio |
0.75 |
1 |
4 |
870 |
138 |
177 |
530 |
290 |
|
AHHM2-9205TB-Ratio |
1.5 |
2 |
4 |
910 |
150 |
200 |
530 |
300 |
|
AHHM3-9205TB-Ratio |
2.2 |
3 |
4 |
936 |
174 |
219 |
530 |
310 |
|
AHHM5-9205TB-Ratio |
3.7 |
5 |
4 |
955 |
188 |
238 |
530 |
320 |
|
AHHM8-9205TB-Ratio |
5.5 |
7.5 |
4 |
1000 |
219 |
273 |
530 |
320 |
|
AHHM10-9205TB-Ratio |
7.5 |
10 |
4 |
1038 |
224 |
273 |
530 |
330 |
|
AHHM1-9215TA-Ratio |
0.75 |
1 |
4 |
895 |
138 |
177 |
575 |
365 |
|
AHHM2-9215TA-Ratio |
1.5 |
2 |
4 |
935 |
150 |
200 |
575 |
380 |
|
AHHM3-9215TA-Ratio |
2.2 |
3 |
4 |
962 |
174 |
219 |
575 |
390 |
|
AHHM5-9215TA-Ratio |
3.7 |
5 |
4 |
980 |
188 |
238 |
575 |
398 |
|
AHHM8-9215TA-Ratio |
5.5 |
7.5 |
4 |
1025 |
219 |
273 |
575 |
402 |
|
AHHM10-9215TA-Ratio |
7.5 |
10 |
4 |
1064 |
224 |
273 |
575 |
410 |
|
AHHM3-9215TB-Ratio |
2.2 |
3 |
4 |
990 |
174 |
219 |
575 |
388 |
|
AHHM5-9215TB-Ratio |
3.7 |
5 |
4 |
1010 |
188 |
238 |
575 |
400 |
|
AHHM8-9215TB-Ratio |
5.5 |
7.5 |
4 |
1043 |
219 |
273 |
575 |
408 |
|
AHHM10-9215TB-Ratio |
7.5 |
10 |
4 |
1080 |
224 |
273 |
575 |
410 |
|
AHHM15-9215TB-Ratio |
11 |
15 |
4 |
1168 |
258 |
334 |
575 |
435 |
|
AHHM1-9225TA-Ratio |
0.75 |
1 |
4 |
938 |
138 |
177 |
610 |
440 |
|
AHHM2-9225TA-Ratio |
1.5 |
2 |
4 |
978 |
150 |
200 |
610 |
455 |
|
AHHM3-9225TA-Ratio |
2.2 |
3 |
4 |
1005 |
174 |
219 |
610 |
466 |
|
AHHM5-9225TA-Ratio |
3.7 |
5 |
4 |
1024 |
188 |
238 |
610 |
470 |
|
AHHM8-9225TA-Ratio |
5.5 |
7.5 |
4 |
1068 |
219 |
273 |
610 |
475 |
|
AHHM10-9225TA-Ratio |
7.5 |
10 |
4 |
1106 |
224 |
273 |
610 |
484 |
|
AHHM5-9225TB-Ratio |
3.7 |
5 |
4 |
1080 |
188 |
238 |
610 |
458 |
|
AHHM8-9225TB-Ratio |
5.5 |
7.5 |
4 |
1115 |
219 |
273 |
610 |
472 |
|
AHHM10-9225TB-Ratio |
7.5 |
10 |
4 |
1153 |
224 |
273 |
610 |
484 |
|
AHHM15-9225TB-Ratio |
11 |
15 |
4 |
1228 |
258 |
334 |
610 |
535 |
|
AHHM20-9225TB-Ratio |
15 |
20 |
4 |
1272 |
258 |
334 |
610 |
588 |