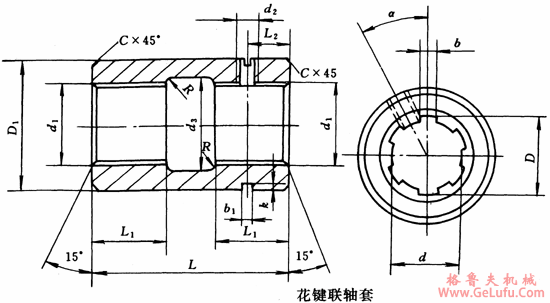
花键联轴套外形及安装尺寸
发布日期:2023-12-28 20:05
浏览次数:
格鲁夫丝杆升降机
花键联轴套外形及安装尺寸 手机:13331225020
格鲁夫齿轮箱
花键联轴套尺寸/mm
|
型号 |
D |
d
(H12) |
b
(D9) |
Z |
a |
D1 |
d1 |
d2 |
d3 |
L |
L1 |
L2 |
b1 |
k |
C |
R |
质量
m/kg |
销圈 |
螺钉 |
|
GTH1 |
20 |
17 |
6 |
4 |
45° |
35 |
21 |
M6 |
22 |
45 |
15 |
8 |
1 |
2 |
2 |
1 |
0.24 |
30 |
M6×10 |
|
GTH2 |
22 |
19 |
8 |
38 |
23 |
24 |
50 |
18 |
9 |
0.325 |
32 |
M6×12 |
|
GTH3 |
25 |
21 |
5 |
6 |
30° |
42 |
26 |
27 |
60 |
20 |
10 |
1.2 |
2.5 |
0.55 |
35 |
M6×16 |
|
GTH4 |
30 |
26 |
6 |
45 |
31 |
32 |
70 |
25 |
12 |
0.74 |
38 |
|
GTH5 |
35 |
30 |
10 |
50 |
36 |
M8 |
37 |
80 |
30 |
15 |
1.6 |
3 |
2.5 |
1.5 |
0.85 |
47 |
M8×16 |
|
GTH6 |
40 |
35 |
62 |
41 |
42 |
90 |
35 |
18 |
1.115 |
54 |
|
GTH7 |
45 |
40 |
12 |
70 |
46 |
47 |
100 |
40 |
20 |
1.35 |
62 |
M8×20 |
|
GTH8 |
50 |
45 |
80 |
51 |
52 |
110 |
45 |
22 |
1.62 |
71 |
|
GTH9 |
55 |
50 |
14 |
85 |
56 |
M10 |
57 |
120 |
50 |
25 |
3 |
2 |
2.55 |
76 |
M10×20 |
|
GTH10 |
60 |
54 |
90 |
61 |
62 |
130 |
55 |
28 |
2.9 |
81 |
M10×25 |
|
GTH11 |
65 |
58 |
16 |
95 |
66 |
67 |
140 |
60 |
30 |
3.34 |
86 |
|
GTH12 |
70 |
62 |
100 |
71 |
72 |
150 |
65 |
32 |
4.71 |
91 |
|
GTH13 |
75 |
65 |
110 |
76 |
77 |
160 |
70 |
35 |
2.2 |
3.6 |
6.835 |
100 |
|
GTH14 |
80 |
70 |
20 |
115 |
81 |
M12 |
82 |
180 |
80 |
40 |
8.17 |
105 |
M12×25 |
|
GTH15 |
90 |
80 |
125 |
91 |
92 |
200 |
90 |
45 |
9.280 |
115 | |
|