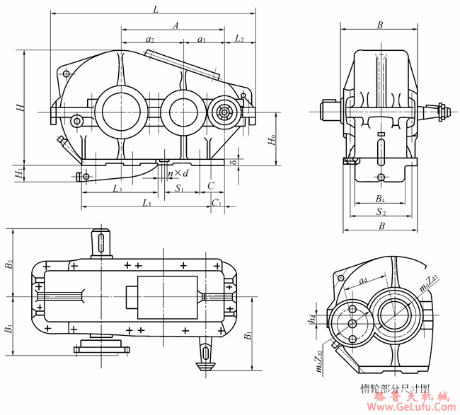
格鲁夫机械


|
型号 |
中心距 |
中心高
H0 |
最大外形尺寸 |
轴端尺寸 |
L |
L2 |
L3 | |||||||
|
a |
a1 |
a2 |
L |
B |
H |
高速轴 |
低速轴 | |||||||
|
B1 |
B2 |
B3 | ||||||||||||
|
PM |
250 |
250 |
100 |
150 |
160-1 |
540 |
230 |
325 |
200 |
220 |
164.5 |
345 |
101 |
- |
|
350 |
350 |
150 |
200 |
200-1 |
730 |
290 |
405 |
260 |
250 |
214 |
470 |
132 |
- | |
|
400 |
400 |
150 |
250 |
250-1 |
826 |
310 |
490 |
270 |
300 |
234 |
490 |
133 |
- | |
|
500 |
500 |
200 |
300 |
300-1.5 |
986 |
350 |
590 |
330 |
325 |
270 |
620 |
148 |
- | |
|
650 |
650 |
250 |
400 |
320-1.5 |
1278 |
470 |
700 |
430 |
140 |
342 |
830 |
183 |
495 | |
|
750 |
750 |
300 |
450 |
320-1.5 |
1448 |
510 |
745 |
450 |
450 |
362 |
1020 |
207 |
620 | |
|
850 |
850 |
350 |
500 |
400-1.5 |
1632 |
580 |
875 |
510 |
525 |
403 |
1100 |
236 |
610 | |
|
1000 |
1000 |
400 |
600 |
400-1.5 |
1896 |
660 |
965 |
550 |
605 |
507 |
1350 |
257 |
870 | |
|
型号 |
B4 |
H1 |
g |
安装尺寸 |
惰轮部分 |
最大
重量
Kg | |||||||||
|
C |
C1 |
孔距 |
孔径 |
孔数 |
ad |
hd |
md |
Zd2 | |||||||
|
S1 |
S2 | ||||||||||||||
|
PM |
250 |
― |
― |
20 |
60 |
28 |
235 |
190 |
17 |
4 |
― |
― |
― |
― |
― |
|
350 |
― |
― |
25 |
100 |
40 |
310 |
250 |
17 |
4 |
― |
― |
― |
― |
― | |
|
400 |
― |
― |
25 |
110 |
80 |
370 |
270 |
17 |
4 |
― |
― |
― |
― |
― | |
|
500 |
― |
― |
25 |
130 |
80 |
240 |
310 |
17 |
6 |
216 |
30 |
4 |
68 |
| |
|
650 |
318 |
95 |
35 |
160 |
85 |
215 |
410 |
25 |
8 |
276 |
50 |
4 |
69 |
| |
|
750 |
362 |
130 |
35 |
155 |
55 |
275 |
450 |
25 |
8 |
― |
― |
― |
― |
― | |
|
850 |
418 |
105 |
40 |
155 |
75 |
300 |
520 |
32 |
8 |
272 |
30 |
4 |
73 |
| |
|
1000 |
478 |
200 |
40 |
200 |
100 |
350 |
590 |
32 |
8 |
― |
― |
― |
― |
― | |