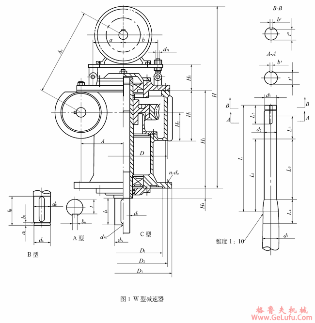
减速机外形尺寸"> mail:china@gelufu.com
W型圆弧齿圆柱蜗杆减速器外形尺寸 QQ:47447450
减速机 hspace=0 src="/uploads/allimg/20231228/1-23122QR91D92.gif" width=650 border=0 alt="W100-200、W100-250、W125-300、W160-400、W200-500、W200-550、W250-550、W320-600、型圆弧齿圆柱蜗杆减速机外形尺寸"> www.gelufu.com.cn
|
型号 |
输出轴直径 |
A |
A0 |
D |
H1 |
H2 |
H3 |
H4 |
H5 |
H
最
大 |
a |
b |
dN |
D1 |
D2 |
D3 |
dM |
n-d0 |
lA |
lB |
b0 |
t | |
|
dA
dB |
dC
最大 | ||||||||||||||||||||||
|
W100-200 |
40 |
55 |
100 |
-280 |
220 |
130 |
70 |
220 |
35 |
105 |
570 |
100 |
110 |
16 |
270 |
305 |
340 |
联
轴
器
结
构
定 |
8-18 |
58 |
85 |
12 |
35 |
|
W100-250 |
50 |
60 |
280 |
630 |
70 |
100 |
14 |
44.5 | |||||||||||||||
|
W125-300 |
60 |
70 |
125 |
-320 |
270 |
150 |
80 |
330 |
40 |
115 |
760 |
130 |
160 |
20 |
316 |
360 |
400 |
8-18 |
90 |
130 |
18 |
53 | |
|
W160-400 |
70 |
85 |
160 |
-375 |
340 |
170 |
90 |
430 |
40 |
130 |
875 |
155 |
170 |
20 |
360 |
410 |
460 |
8-18 |
90 |
130 |
20 |
62.5 | |
|
W200-500 |
90 |
95 |
200 |
-470 |
400 |
210 |
115 |
530 |
45 |
135 |
1095 |
180 |
205 |
24 |
420 |
470 |
520 |
12-23 |
150 |
170 |
25 |
81 | |
|
W200-550 |
580 |
1145 | |||||||||||||||||||||
|
W250-550 |
100 |
95 |
250 |
-550 |
500 |
250 |
125 |
600 |
45 |
135 |
1260 |
180 |
205 |
24 |
470 |
520 |
580 |
12-23 |
170 |
170 |
28 |
90 | |
|
W320-600 |
110 |
125 |
320 |
-650 |
620 |
280 |
150 |
650 |
60 |
150 |
1460 |
250 |
300 |
30 |
470 |
520 |
580 |
12-23 |
170 |
200 |
28 |
100 | |
|
型号 |
d1 |
d2 |
d3 |
L1 |
L2 |
L3 |
L4 |
L5 |
L |
b′ |
t′ |
t″ |
d4 |
a1 |
b1 |
小带轮
直径 |
带型-
根数 |
质量
m/kg |
|
W100-200 |
55 |
45 |
M36×1.5 |
140 |
90 |
105 |
70 |
60 |
255 |
6 |
41.5 |
32 |
35 |
4 |
5 |
100 |
A-3 |
85 |
|
W100-250 |
60 |
50 |
M42×1.5 |
200 |
90 |
165 |
70 |
60 |
315 |
6 |
46.5 |
38 |
42 |
5 |
6 |
100 |
A-3 |
95 |
|
W125-300 |
70 |
60 |
M52×1.5 |
230 |
100 |
190 |
80 |
70 |
370 |
8 |
56 |
48 |
50 |
6 |
8 |
140 |
B-3 |
189 |
|
W160-400 |
85 |
70 |
M60×2 |
330 |
100 |
270 |
100 |
70 |
470 |
8 |
66 |
56 |
55 |
6 |
8 |
160 |
B-4 |
250 |
|
W200-500 |
95 |
80 |
M72×2 |
415 |
120 |
340 |
120 |
80 |
575 |
10 |
75 |
68 |
80 |
8 |
10 |
200 |
C-3 |
420 |
|
W200-550 |
465 |
390 |
120 |
80 |
625 |
224 |
C-4 |
480 | ||||||||||
|
W250-550 |
95 |
80 |
M72×2 |
485 |
140 |
390 |
140 |
80 |
655 |
10 |
75 |
68 |
90 |
8 |
10 |
250 |
C-5 |
650 |
|
W320-600 |
125 |
110 |
M100×2 |
500 |
140 |
420 |
140 |
100 |
700 |
12 |
105 |
94 |
100 |
10 |
12 |
250 |
C-6 |
830 |