WGJ型鼓形齿式联轴机选用说明(JB/T8821-98)
发布日期:2023-12-28 20:04
浏览次数:
mail:china@gelufu.com
WGJ型鼓形齿式联轴器选用说明:
1)WGJ1~WGJ15型选用J1型轴孔:WGJ16~WGJ23型选用Y型轴孔;同一规格可根据联接轴伸的不同,按标准任意组合选用。
2)轴孔和键槽按GB/T3852的规定。如采用过盈配合油压装卸的无键联接,可与联轴器专业生产厂协商确定。过盈配合油压装卸的无键联接轴孔的型式,环形槽和油孔接口尺寸按JB/T6136的规定。
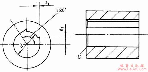
3)轴孔直径670mm时,其键槽采用D型。

D型键槽尺寸
|
轴孔直径d(H7) |
键槽深度t1 |
键槽宽度b1 |
倒角C |
|
670+0.08 0 |
67 0 -0.3 |
210 |
12 |
4)圆柱形轴孔倒角按GB/T6403.4的规定。
5)WGJ型鼓形齿式联轴器允许正、反转。
承载系数K1(JB/T8821-98)
|
承载系数 |
实际角向偏移量△αS |
|
<0.25° |
0.5° |
0.75° |
1° |
1.25° |
1.5° |
1.75° |
2° |
2.25° |
2.5° |
2.75° |
3° |
|
K1 |
0.84 |
0.75 |
0.68 |
0.61 |
0.54 |
0.49 |
0.44 |
0.39 |
0.35 |
0.31 |
0.28 |
0.25 |
工况系数K(JB/T8821-98)
|
工作机械 |
热轧机(可逆式) |
冷轧机(不可逆式) |
热轧机(不可逆式) |
平整轧机 |
精光轧机 |
|
工况系数K |
2.75 |
1.5 |
1.75 |
1.5 |
1.5 |
转速n2(JB/T8821-98)
|
型号 |
WGJ1 |
WGJ2 |
WGJ3 |
WGJ4 |
WGJ5 |
WGJ6 |
WGJ7 |
WGJ8 |
WGJ9 |
WGJ10 |
WGJ11 |
WGJ12 |
|
n2/r・min-1 |
5877 |
4775 |
4244 |
3820 |
3322 |
2938 |
2728 |
2547 |
2315 |
2152 |
1863 |
1661 |
|
型号 |
WGJ13 |
WGJ14 |
WGJ15 |
WGJ16 |
WGJ17 |
WGJ18 |
WGJ19 |
WGJ20 |
WGJ21 |
WGJ22 |
WGJ23 |
|
n2/r・min-1 |
1498 |
1364 |
1252 |
1158 |
1076 |
1005 |
943 |
888 |
840 |
792 |
762 |
修正系数f(JB/T8821-98)
|
型号 |
实际角向偏移量△αS |
|
0.25° |
0.5° |
0.75° |
1° |
1.25° |
1.5° |
1.75° |
2° |
2.25° |
2.5° |
2.75° |
3° |
|
f |
|
WGJ1 |
1 |
0.86 |
0.57 |
0.43 |
0.34 |
0.29 |
0.25 |
0.22 |
0.19 |
0.17 |
0.16 |
0.14 |
|
WGJ2 |
1 |
0.86 |
0.57 |
0.43 |
0.34 |
0.29 |
0.25 |
0.22 |
0.19 |
0.17 |
0.16 |
0.14 |
|
WGJ3 |
1 |
0.82 |
0.55 |
0.41 |
0.33 |
0.27 |
0.23 |
0.21 |
0.18 |
0.16 |
0.15 |
0.14 |
|
WGJ4 |
1 |
0.82 |
0.55 |
0.41 |
0.33 |
0.27 |
0.23 |
0.21 |
0.18 |
0.16 |
0.15 |
0.14 |
|
WGJ5 |
1 |
0.88 |
0.59 |
0.44 |
0.35 |
0.29 |
0.25 |
0.22 |
0.2 |
0.18 |
0.16 |
0.15 |
|
WGJ6 |
1 |
0.86 |
0.57 |
0.43 |
0.34 |
0.29 |
0.25 |
0.22 |
0.19 |
0.17 |
0.16 |
0.14 |
|
WGJ7 |
1 |
0.86 |
0.57 |
0.43 |
0.34 |
0.29 |
0.25 |
0.22 |
0.19 |
0.17 |
0.16 |
0.14 |
|
WGJ8 |
1 |
0.84 |
0.56 |
0.42 |
0.34 |
0.28 |
0.24 |
0.21 |
0.19 |
0.17 |
0.15 |
0.14 |
|
WGJ9 |
1 |
0.86 |
0.57 |
0.43 |
0.34 |
0.29 |
0.25 |
0.22 |
0.19 |
0.17 |
0.16 |
0.14 |
|
WGJ10 |
1 |
0.86 |
0.57 |
0.43 |
0.34 |
0.29 |
0.25 |
0.22 |
0.19 |
0.17 |
0.16 |
0.14 |
|
WGJ11 |
1 |
0.84 |
0.56 |
0.42 |
0.34 |
0.28 |
0.24 |
0.21 |
0.19 |
0.17 |
0.15 |
0.14 |
|
WGJ12 |
1 |
0.8 |
0.53 |
0.4 |
0.32 |
0.27 |
0.23 |
0.2 |
0.18 |
0.16 |
0.15 |
0.13 |
|
WGJ13 |
1 |
0.8 |
0.53 |
0.4 |
0.32 |
0.27 |
0.23 |
0.2 |
0.18 |
0.16 |
0.15 |
0.13 |
|
WGJ14 |
1 |
0.82 |
0.55 |
0.41 |
0.33 |
0.27 |
0.23 |
0.21 |
0.18 |
0.16 |
0.15 |
0.14 |
|
WGJ15 |
1 |
0.82 |
0.55 |
0.41 |
0.33 |
0.27 |
0.23 |
0.21 |
0.18 |
0.16 |
0.15 |
0.14 |
|
WGJ16 |
1 |
0.82 |
0.55 |
0.41 |
0.33 |
0.27 |
0.23 |
0.21 |
0.18 |
0.16 |
0.15 |
0.14 |
|
WGJ17 |
1 |
0.82 |
0.55 |
0.41 |
0.33 |
0.27 |
0.23 |
0.21 |
0.18 |
0.16 |
0.15 |
0.14 |
|
WGJ18 |
1 |
0.86 |
0.57 |
0.43 |
0.34 |
0.29 |
0.25 |
0.22 |
0.19 |
0.17 |
0.16 |
0.14 |
|
WGJ19 |
1 |
0.84 |
0.56 |
0.42 |
0.34 |
0.28 |
0.24 |
0.21 |
0.19 |
0.17 |
0.15 |
0.14 |
|
WGJ20 |
1 |
0.82 |
0.55 |
0.41 |
0.33 |
0.27 |
0.23 |
0.21 |
0.18 |
0.16 |
0.15 |
0.14 |
|
WGJ21 |
1 |
0.84 |
0.56 |
0.42 |
0.34 |
0.28 |
0.24 |
0.21 |
0.19 |
0.17 |
0.15 |
0.14 |
|
WGJ22 |
1 |
0.82 |
0.55 |
0.41 |
0.33 |
0.27 |
0.23 |
0.21 |
0.18 |
0.16 |
0.15 |
0.14 |
|
WGJ23 |
1 |
0.82 |
0.55 |
0.41 |
0.33 |
0.27 |
0.23 |
0.21 |
0.18 |
0.16 |
0.15 |
0.14 | |
|