您好,欢迎进入格鲁夫机械设备制造有限公司官网!
|
网站地图
|
Tag标签
|
在线留言
|
联系我们
网站首页
Home
关于我们
ABOUT US
关于我们
售后保障
产品中心
PRODUCT
蜗轮减速机
齿轮减速机
丝杆升降机
减速电机
精密减速机
行业专用减速机
联轴器
摆线针轮减速机
技术文章
NEWS
蜗轮减速机
齿轮减速机
摆线针轮减速机
精密减速机
丝杆升降机
行星齿轮减速机
行业专用减速机
联轴器
减速机相关
问题解疑
减速电机
无极变速器
国外及港台减速机
电机
合作案例
CASE
售后服务
service
在线留言
MESSAGE
联系我们
CONTACT US
技术文章
蜗轮减速机
齿轮减速机
摆线针轮减速机
精密减速机
丝杆升降机
行星齿轮减速机
行业专用减速机
联轴器
减速机相关
问题解疑
减速电机
无极变速器
国外及港台减速机
电机
推荐产品
GⅡCL15型鼓
JMⅠJ9型膜片
UL8轮胎式联轴
UL12轮胎式联
联系我们
邮箱:
china@gelufu.com
电话:
0312-6784766
在线咨询
主页
>
技术文章
>
齿轮减速机
齿轮减速机
QJ-L型起重机立式减速机工作条件及型式(JB/T8905.3-1999)
发布日期:2023-12-28 18:45
浏览次数:
gelufu
1 工作条件
QJ-L型减速器的工作条件与QJ型减速器相同。
2 型式
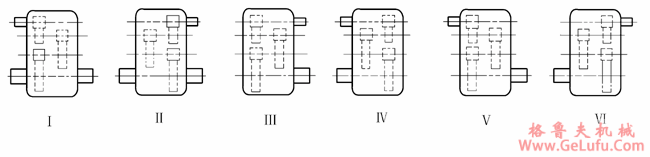
1) 结构型式 QJ-L型减速器为三级立式带底座减速器。QJ-L280以上减速器,加装强迫润滑系统。
2) 装配型式 QJ-L型减速器共有六种装配型式,见下图。
上一篇:HNK型圆弧齿轮减速机中心距YB/T050-93
下一篇:QJ-L型起重机立式减速机型号标记(JB/T8905.3-1999)
查看更多 >>
推荐资讯
QW8331、QW8342、QW8353
QW系列轻型摆线针轮减速机简介,QW系列轻型摆线针轮减速机特点,QW系列轻型摆线针轮减速机参数,QW系列轻型摆线针轮减速...
KDNB160、KDNB180、KDNB
K系列圆锥―圆柱齿轮减速机简介,K系列圆锥―圆柱齿轮减速机特点,K系列圆锥―圆柱齿轮减速机参数,K系列圆锥―圆柱齿轮减速...
QDX3-G系列部分回转型阀门手动装置外
QDX3-G系列部分回转型阀门手动装置,专为球阀、蝶阀、旋塞阀等90°回转阀门设计,特殊型号可输出360°转角。本文详细...
JZQ型系列齿轮减速机轴端尺寸
JZQ型系列齿轮减速机简介,JZQ型系列齿轮减速机特点,JZQ型系列齿轮减速机参数,JZQ型系列齿轮减速机具体型号,JZ...
选择语言
×
Українська
Norsk
Cymraeg
Nederlands
日本語
Filipino
English
ລາວ
తెలుగు
Română
नेपाली
Français
Kreyòl Ayisyen
Čeština
Svenska
Русский
Malagasy
မြန်မာစာ
پښتو
ไทย
Հայերեն
简体中文
فارسی
繁體中文
Kurdî
Türkçe
हिन्दी
Български
Bahasa Melayu
Kiswahili
ଓଡ଼ିଆ
Íslenska
Gaeilge
ភាសាខ្មែរ
ગુજરાતી
Slovenčina
ಕನ್ನಡ
עברית
Magyar
मराठी
தமிழ்
Eesti
മലയാളം
Inuktitut
العربية
Deutsch
Slovenščina
বাংলা
اردو
Azərbaycan
Português
Samoan
Afrikaans
Tongan
Ελληνικά
Bahasa Indonesia
Español
Dansk
አማርኛ
ਪੰਜਾਬੀ
Shqip
Lietuvių
Italiano
Tiếng Việt
한국어
Malti
Suomi
Català
Hrvatski
Bosanski
Polski
Latviešu
Māori
Hello,欢迎来咨询~